Запчасти Hyundai R305LC7 PAGE 2040 ENGINE ELECTRIC ЭЛЕКТРИЧЕСКАЯ СИСТЕМА

Схема запчастей Hyundai R305LC7 - PAGE 2040 ENGINE ELECTRIC ЭЛЕКТРИЧЕСКАЯ СИСТЕМА
FIT
1:1
100%

Артикул

Название

Примечание

Количество

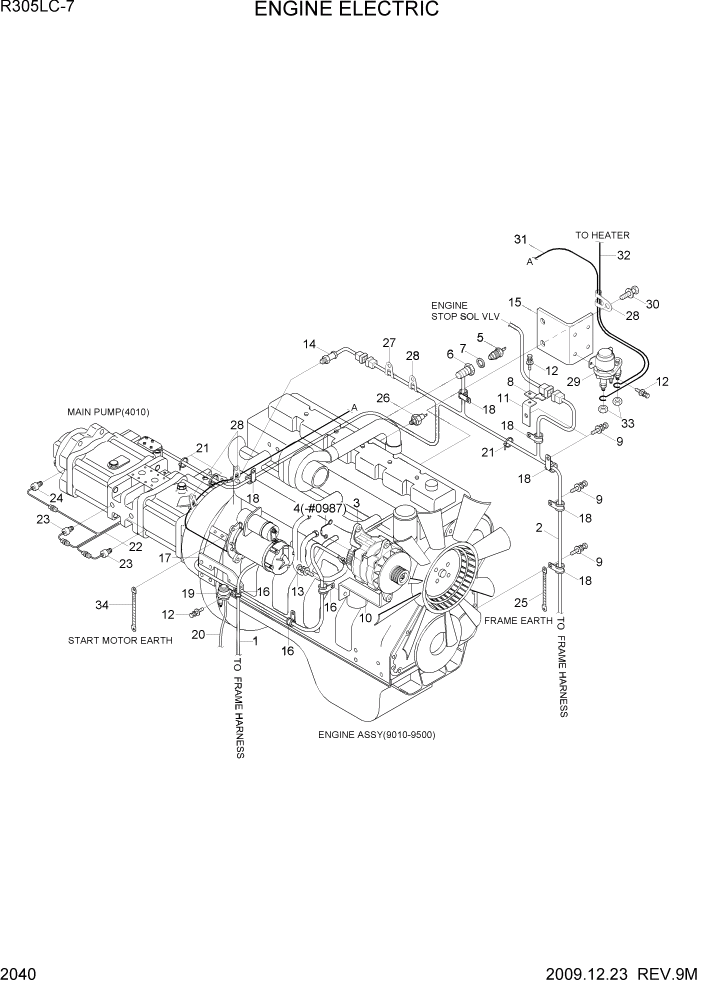
1

21N8-12060

HARNESS-ENG.FRONT

#0987

1шт.

1

21N8-12061

HARNESS-ENG.FRONT

#0988

1шт.

2

21N8-12070

HARNESS-ENG.REAR

#0129

1шт.

2

21N8-12071

HARNESS-ENG.REAR

#0130

1шт.

3

21E6-40030

ALTERNATOR ASSY

#0987

1шт.

3

21Q6-41000

ALTERNATOR ASSY

#0988

1шт.

4

21E1-21120

WIRE LINK-ALTERNATOR

#0987

1шт.

5

21EN-40100

SENDER-TEMP

1шт.

6

21EA-50171

FITTING-TEMP SW

1шт.

7

21EA-50260

PACKING-TEMP SW

1шт.

8

21EA-50430

PLATE

1шт.

9

S037-101552

BOLT-W/WASHER

7шт.

10

21EA-00160

PLATE

1шт.

11

21E9-06080

PLATE

1шт.

12

S035-061526

BOLT-W/WASHER

3шт.

13

S035-081522

BOLT-W/WASHER

1шт.

14

21E3-0042

SENSOR-SPEED

1шт.

15

21N9-20052

BRAKCET-RELAY

1шт.

16

S593-000752

CLIP-HARNESS

3шт.

17

21N8-12090

BRACKET-RELAY

1шт.

18

S593-000902

CLIP-HARNESS

#0749

5шт.

18

S593-000802

CLIP-HARNESS

#0750

5шт.

19

21N6-30120

RELAY-START

1шт.

20

21EA-00190

HARNESS-EXT,START RY

1шт.

21

S552-050203

CLAMP-BAND

12шт.

22

21N8-10071

HARNESS-PUMP

1шт.

23

21EG-32200

SENDER-PRESSURE

OPTION

2шт.

24

21EG-32210

SENDER-PRESSURE

OPTION

1шт.

25

21L8-30720

STRAP-EARTH

1шт.

26

21E3-5001

SWITCH-ENG OIL PRESS

1шт.

27

S593-000702

CLIP-HARNESS

#0749

1шт.

27

S593-000802

CLIP-HARNESS

#0750

1шт.

28

21E9-00170

CLIP-HARNESS

4шт.

29

E225-0006

RELAY-HEATER

1шт.

30

S037-121552

BOLT-W/WASHER

2шт.

31

21N8-12080

CABLE(STARTER-HEATER RY)

1шт.

32

21N9-20030

CABLE-HEATER

1шт.

33

S205-061002

NUT-HEX

2шт.

34

21NA-10500

CABLE(MASTER SW-EARTH)

1шт.

Выбрано товаров: 39