Запчасти Hyundai R320LC7 PAGE 2040 ENGINE ELECTRIC ЭЛЕКТРИЧЕСКАЯ СИСТЕМА

Схема запчастей Hyundai R320LC7 - PAGE 2040 ENGINE ELECTRIC ЭЛЕКТРИЧЕСКАЯ СИСТЕМА
FIT
1:1
100%

Артикул

Название

Примечание

Количество

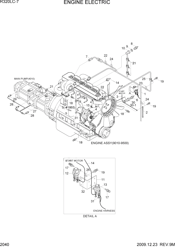
1

21N9-10021

HARNESS-ENGINE

#0052

1шт.

1

21N9-10022

HARNESS-ENGINE

#0053 - #1865

1шт.

1

21N9-10023

HARNESS-ENGINE

#1866

1шт.

2

21EH-30720

STRAP-EARTH

1шт.

3

21N9-20020

CABLE(FRAME-S/MOTOR)

1шт.

4

21E6-40030

ALTERNATOR ASSY

#1865

1шт.

4

21Q6-41000

ALTERNATOR ASSY

#1866

1шт.

5

21E1-21120

WIRE LINK-ALTERNATOR

#1865

1шт.

6

21E3-5001

SWITCH-ENG OIL PRESS

1шт.

7

21E3-0042

SENSOR-SPEED

1шт.

8

21EN-40100

SENDER-TEMP

1шт.

9

21EA-50171

FITTING-TEMP SW

1шт.

10

21EA-50260

PACKING-TEMP SW

1шт.

11

21N9-20052

BRAKCET-RELAY

1шт.

12

21N6-30120

RELAY-START

1шт.

13

E225-0006

RELAY-HEATER

1шт.

14

21N9-20030

CABLE-HEATER

1шт.

15

21EA-00170

PLATE

1шт.

17

S035-061522

BOLT-W/WASHER

4шт.

18

S035-081522

BOLT-W/WASHER

3шт.

19

S037-101552

BOLT-W/WASHER

6шт.

20

21L8-10360

CABLE(ALT-EARTH)

1шт.

21

S552-050203

CLAMP-BAND

8шт.

22

S593-000702

CLIP-HARNESS

#1594

2шт.

22

S593-000802

CLIP-HARNESS

#1595

2шт.

23

S593-001302

CLIP-HARNESS

1шт.

24

S593-001702

CLIP-HARNESS

6шт.

25

S543-100002

CLAMP-TUBE

2шт.

27

21NA-11170

HARNESS-PUMP PS

1шт.

28

21EG-32200

SENDER-PRESSURE

OPTION

2шт.

29

21EG-32210

SENDER-PRESSURE

OPTION

1шт.

30

21L7-00611

ADAPTER

1шт.

30-1

21EN-00520

O-RING

1шт.

31

S203-061002

NUT-HEX

2шт.

32

21EA-00190

HARNESS-EXT,START RY

1шт.

33

S037-122052

BOLT-W/WASHER

2шт.

Выбрано товаров: 36