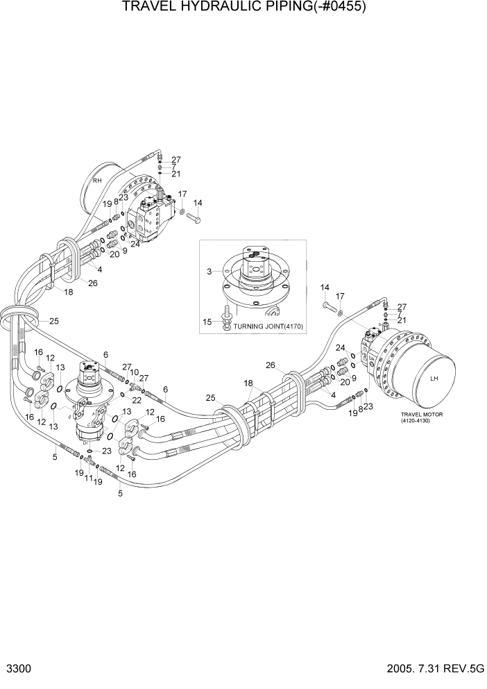
Запчасти Hyundai R320LC7 PAGE 3300 TRAVEL HYDRAULIC PIPING(-#0455) ГИДРАВЛИЧЕСКАЯ СИСТЕМА

Схема запчастей Hyundai R320LC7 - PAGE 3300 TRAVEL HYDRAULIC PIPING(-#0455) ГИДРАВЛИЧЕСКАЯ СИСТЕМА
FIT
1:1
100%

Артикул

Название

Примечание

Количество

*

@

TRAVEL HYD PIPING

NOT #0455

1шт.

3

31N1-40970

GASKET

1шт.

4

P950-167349

HOSE ASSY-ORFSXFLG

#0037

4шт.

4

P980-167351

HOSE ASSY-ORFSXFLG 0X90

#0038

4шт.

5

P920-082050

HOSE ASSY-ORFS 0X45

2шт.

6

P410-042058

HOSE ASSY-COMP 0X45

#0215

2шт.

6

X410-042058

HOSE ASSY-SYNFLEX,ORFS

#0216

2шт.

7

P101-104045

CONNECTOR-LONG

#0215

2шт.

7

X511-104515

CONNECTOR-LONG,ORFS

#0216

2шт.

8

X500-110003

CONNECTOR-ORFS

2шт.

9

X500-110005

CONNECTOR-ORFS

4шт.

10

P310-060404

TEE-BRANCH TYPE

#0215

1шт.

10

X810-065151

TEE-B/TYPE,ORFS

#0216

1шт.

11

X810-085353

TEE-B/TYPE,ORFS

1шт.

12

P173-160104

FLANGE-SPLIT

8шт.

13

Y171-024001

O-RING

4шт.

14

S017-240702

BOLT-HEX

36шт.

15

S037-123022

BOLT-W/WASHER

4шт.

16

S109-100306

BOLT-SOCKET

16шт.

17

S441-240002

WASHER-HARDENED

36шт.

18

S551-050203

CLAMP-BAND

15шт.

19

S621-014001

O-RING

4шт.

20

S621-021001

O-RING,ORFS

4шт.

21

S631-011001

O-RING

2шт.

22

S631-014001

O-RING

1шт.

23

S631-018001

O-RING

3шт.

24

S631-029001

O-RING

4шт.

25

S760-102200

GROMMET

2шт.

26

S760-151224

GROMMET

2шт.

27

S621-011001

O-RING,ORFS

#0216

4шт.

Выбрано товаров: 30