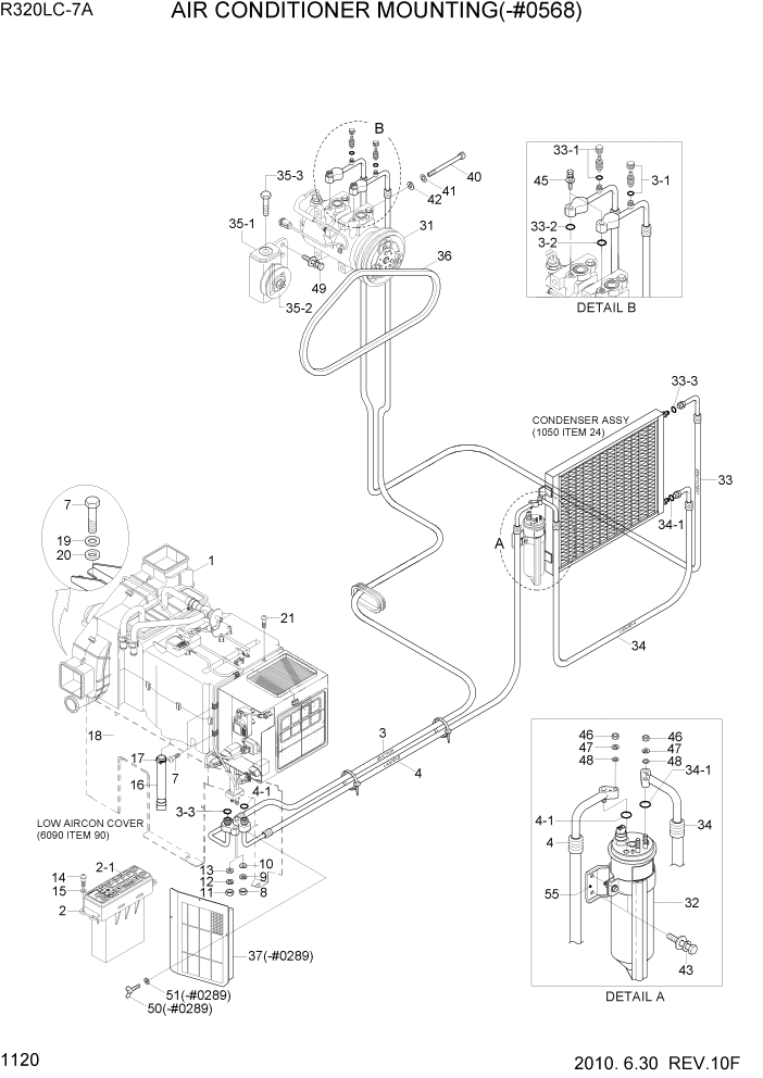
Запчасти Hyundai R320LC7A PAGE 1120 AIR CONDITIONER MOUNTING(-#0568) СИСТЕМА ДВИГАТЕЛЯ

Схема запчастей Hyundai R320LC7A - PAGE 1120 AIR CONDITIONER MOUNTING(-#0568) СИСТЕМА ДВИГАТЕЛЯ
FIT
1:1
100%

Артикул

Название

Примечание

Количество

1

11N6-90221

AIRCON UNIT

SEE 1130

1шт.

2

11N6-90031

CONTROL ASSY-SEMI

1шт.

2-1

11N6-90850

DECAL-A/C & HEATER

1шт.

3

11N8-90130

HOSE-SUCTION

1шт.

3-1

A8900-518-03-3

BOLT-TENSION

1шт.

3-2

A4700-511-01-2

PULLEY-IDLE

1шт.

3-3

A8900-518-03-3

BOLT-TENSION

1шт.

4

11N8-90050

HOSE(B)-LIQUID

1шт.

4-1

A305000209-2

O-RING

2шт.

7

S017-120256

BOLT-HEX

4шт.

8

S201-061002

NUT-HEX

1шт.

9

S411-060002

WASHER-SPRING

1шт.

10

S403-061002

WASHER-PLAIN

1шт.

11

S201-081002

NUT-HEX

1шт.

12

S411-080002

WASHER-SPRING

1шт.

13

S403-081002

WASHER-PLAIN

1шт.

14

S175-050206

SCREW-SOCKET RD HD

4шт.

15

S403-052006

WASHER-PLAIN

4шт.

16

11EK-92090

HOSE-DRAIN

1шт.

17

S520-020000

CLAMP-HOSE

1шт.

19

S441-120006

WASHER-HARDENED

4шт.

20

73NB-56400

SHIM

4шт.

21

S152-040122

SCREW-TAPPING

4шт.

31

11N6-90040

COMPRESSOR ASSY

1шт.

32

11N6-90060

DRIER-RECEIVER

1шт.

33

11N6-90070

HOSE-DISCHARGE

1шт.

33-1

A304000301-4

CHARGE VALVE ASSY

1шт.

33-2

A305000206-2

O-RING

1шт.

33-3

A305000205-2

O-RING

1шт.

34

11NA-90220

HOSE(A)-LIQUID

1шт.

34-1

A305000209-2

O-RING

2шт.

35

11N6-90110

PULLEY-IDLE

1шт.

35-1

A4760-508-00-2

BRACKET-PULLEY

1шт.

35-2

A4700-511-01-2

PULLEY-IDLE

1шт.

35-3

A8900-518-03-3

BOLT-TENSION

1шт.

36

11N8-00130

V-BELT

1шт.

37

11N6-90340

FILTER-REC

#0289

1шт.

40

S109-080956

BOLT-SOCKET

4шт.

41

S403-081006

WASHER-PLAIN

4шт.

42

S411-080006

WASHER-SPRING

4шт.

43

S035-061522

BOLT-W/WASHER

2шт.

45

S035-083522

BOLT-W/WASHER

2шт.

46

S205-062002

NUT-HEX

2шт.

47

S411-060002

WASHER-SPRING

2шт.

48

S403-062002

WASHER-PLAIN

2шт.

49

S037-102022

BOLT-W/WASHER

3шт.

50

S091-060156

BOLT-WING

#0289

3шт.

51

S403-061006

WASHER-PLAIN

#0289

3шт.

55

11N6-90120

BRACKET-R/DRIER

1шт.

Выбрано товаров: 49