Запчасти Hyundai R320LC7A PAGE 2040 ENGINE ELECTRIC ЭЛЕКТРИЧЕСКАЯ СИСТЕМА

Схема запчастей Hyundai R320LC7A - PAGE 2040 ENGINE ELECTRIC ЭЛЕКТРИЧЕСКАЯ СИСТЕМА
FIT
1:1
100%

Артикул

Название

Примечание

Количество

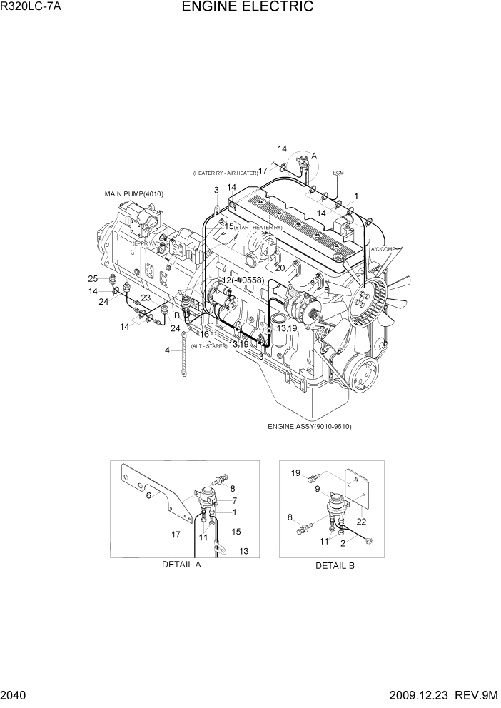
1

21N9-40022

HARNESS-ENGINE

#0558

1шт.

1

21N9-40023

HARNESS-ENGINE

#0559

1шт.

2

21EA-00190

HARNESS-EXT,START RY

1шт.

3

21E9-00170

CLIP-HARNESS

2шт.

4

21EH-30720

STRAP-EARTH

1шт.

5

21E6-40030

ALTERNATOR ASSY

#0558

1шт.

5

21Q6-41000

ALTERNATOR ASSY

#0559

1шт.

6

21N9-40040

PLATE

1шт.

7

21N8-42050

RELAY-HEATER

1шт.

8

S035-061526

BOLT-W/WASHER

4шт.

9

21N6-30120

RELAY-START

1шт.

11

S285-061002

NUT-FLANGED

4шт.

12

21E1-21120

WIRE LINK-ALTERNATOR

#0519

1шт.

13

S593-000902

CLIP-HARNESS

#0519

1шт.

13

S593-000802

CLIP-HARNESS

#0520

1шт.

14

S552-050203

CLAMP-BAND

15шт.

15

21LB-20450

CABLE(HEATER-STARTER)

1шт.

16

21LC-40070

CABLE(ALT-STARTER)

#0558

1шт.

16

21LC-40072

CABLE(ALT-STARTER)

#0559

1шт.

17

21LB-20460

CABLE(HEATER RY-HEAT)

1шт.

19

S035-081516

BOLT-W/WASHER

3шт.

20

21LB-20411

CABLE(HEATER RY-STARTER)

1шт.

22

21N8-12090

BRACKET-RELAY

1шт.

23

21NA-11170

HARNESS-PUMP PS

OPT, PUMP PRESS

1шт.

24

21EG-32200

SENDER-PRESSURE

OPT, 500BAR

2шт.

25

21EG-32210

SENDER-PRESSURE

OPT, 50BAR

1шт.

Выбрано товаров: 26