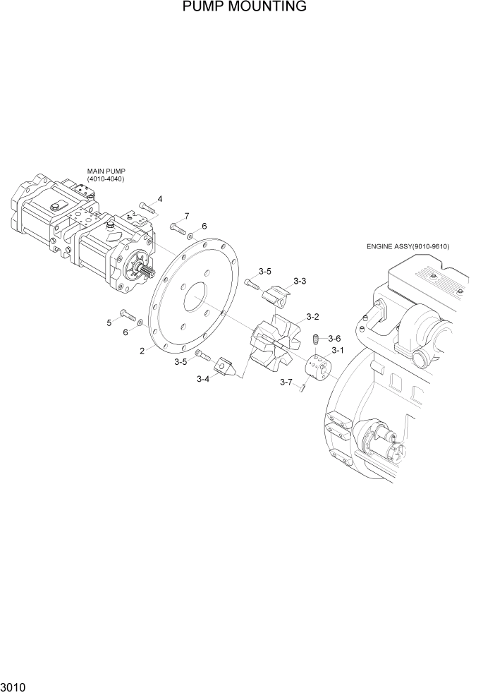
Запчасти Hyundai R320LC7A PAGE 3010 PUMP MOUNTING ГИДРАВЛИЧЕСКАЯ СИСТЕМА

Схема запчастей Hyundai R320LC7A - PAGE 3010 PUMP MOUNTING ГИДРАВЛИЧЕСКАЯ СИСТЕМА
FIT
1:1
100%

Артикул

Название

Примечание

Количество

2

11N8-10000

HOUSING

1шт.

3

11E9-16012

COUPLING ASSY

1шт.

3-1

11E9-15080

HUB

1шт.

3-2

11E9-15091

ELEMENT

1SET=4PIECE

1шт.

3-3

11E9-15101

INSERT-A

4шт.

3-4

11E9-15111

INSERT-R

4шт.

3-5

S107-200502

BOLT-SOCKET

8шт.

3-6

11E9-1507

BOLT-CLAMPING

2шт.

3-7

S472-800162

PIN-SPRING

12шт.

4

S109-200656

BOLT-SOCKET

4шт.

5

S017-100552

BOLT-HEX

8шт.

6

S403-102002

WASHER-PLAIN

12шт.

7

S017-100602

BOLT-HEX

4шт.

Выбрано товаров: 13