Качественные детали и логистика
Оригинальные и аналоговые запчасти с доставкой по России, Казахстану и Беларуси
©2022 PartSell ООО "Система" ИНН 2463123282 ОГРН 1212400004838
Центральный офис: г. Красноярск, Академика Киренского, д.87, пом.4
Телефон: 8 (800) 777-65-74 Email: zakaz@partsell.ru
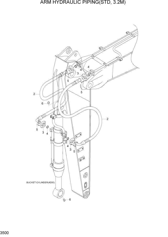
PAGE 3500 ARM HYDRAULIC PIPING(STD, 3.2M)
№
Артикул
Название
Примечание
Количество
2
31N9-60012
HOSE ASSY
2шт.
3
P173-160104
FLANGE-HYD,SPLIT
8шт.
4
Y171-024004
O-RING
4шт.
5
S109-100356
BOLT-SOCKET
16шт.
6
S651-810002
NIPPLE-GREASE
Выбрано товаров: 0