Запчасти Hyundai R360LC7 PAGE 4210 SOLENOID VALVE ГИДРАВЛИЧЕСКИЕ КОМПОНЕНТЫ

Схема запчастей Hyundai R360LC7 - PAGE 4210 SOLENOID VALVE ГИДРАВЛИЧЕСКИЕ КОМПОНЕНТЫ
FIT
1:1
100%

Артикул

Название

Примечание

Количество

*

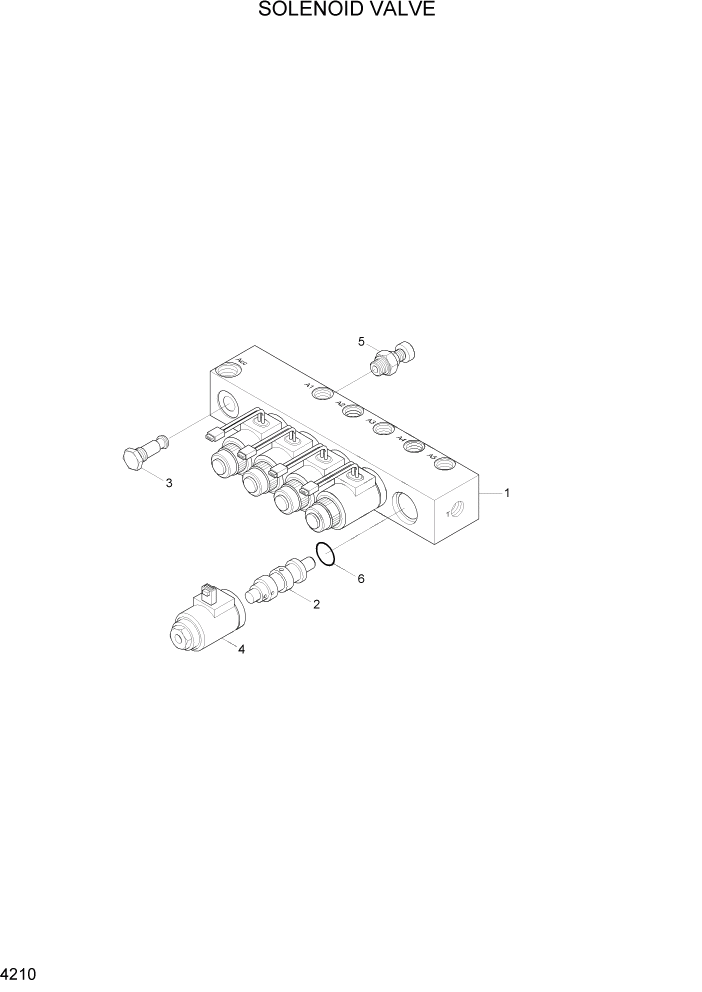
31N8-20141

SOLENOID VALVE

1шт.

1

31N8-20140BLOCK

MANIFOLD

1шт.

2

EDH044/32-04-00

VALVE-SOLENOID

5шт.

3

RC041/0-5-00

VALVE-CHECK

1шт.

4

EDH04/27V-HD

COIL

5шт.

5

M0123

OVERLOAD-MANUAL

1шт.

6

230-00-064-0

SEAL KIT

5шт.

Выбрано товаров: 7