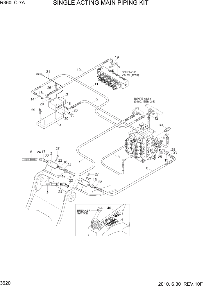
Запчасти Hyundai R360LC7A PAGE 3620 SINGLE ACTING MAIN PIPING KIT ГИДРАВЛИЧЕСКАЯ СИСТЕМА

Схема запчастей Hyundai R360LC7A - PAGE 3620 SINGLE ACTING MAIN PIPING KIT ГИДРАВЛИЧЕСКАЯ СИСТЕМА
FIT
1:1
100%

Артикул

Название

Примечание

Количество

*

@

S/ACT HYD PIPING KIT

NOT

1шт.

*-1

@

S/ACT PIPING KIT

NOT

1шт.

*-11

@

S/ACT MAIN PIPING KIT

NOT

1шт.

1

31EM-91540

JOINT ASSY-HOSE

1шт.

2

31EM-91550

JOINT ASSY-HOSE

1шт.

3

31N6-91230D

SOLENOID VLV-BREAKER

1шт.

3-1

XKBN-00192

COIL-BREAKER SOL

#0001

1шт.

4

31N6-91250

BRACKET-SOL VLV

1шт.

5

P943-207334

HOSE ASSY-FLG

#0001 - #0535

2шт.

5

P944-207333

HOSE ASSY-ORFS 0X0

#0536

2шт.

6

P933-166025

HOSE ASSY-ORFS 0X90

#0535

1шт.

6

P933-166026

HOSE ASSY-ORFS 0X90

#0536

1шт.

7

31NA-92290

HOSE ASSY

#0535

1шт.

7

P913-203029

HOSE ASSY-ORFS 0X0

#0536

1шт.

8

P400-042020

HOSE ASSY-COMPACT

1шт.

9

P400-042030

HOSE ASSY-COMPACT

1шт.

10

P420-042020

HOSE ASSY-COMP 0X90

1шт.

11

P420-042030

HOSE ASSY-COMP 0X90

1шт.

12

31N6-22030

TEE-SWIVEL NUT

1шт.

13

31NA-92300

PIPE ASSY

1шт.

14

P010-110002

CONNECTOR

1шт.

15

X500-110005

CONNECTOR-ORFS

1шт.

16

X500-110006

CONNECTOR-ORFS

1шт.

17

X530-110005

ELBOW-45,ORFS

2шт.

18

P020-110002

ELBOW-90

2шт.

19

31ER-20040

TEE-SWIVEL

1шт.

20

S631-011004

O-RING

4шт.

21

S631-029004

O-RING

1шт.

22

S631-038004

O-RING

3шт.

23

S621-021001

O-RING

2шт.

24

S621-025001

O-RING

3шт.

25

Y171-027004

O-RING

1шт.

26

S109-080456

BOLT-SOCKET

2шт.

27

S109-120656

BOLT-SOCKET

4шт.

28

S109-140406

BOLT-SOCKET

4шт.

29

S037-102522

BOLT-W/WASHER

2шт.

30

P220-110102

PLUG-HEX

1шт.

31

21NB-00200

HARNESS-EXT

1шт.

*-12

@

ATTACH PIPING KIT

NOT

1шт.

39

31EH-90140

PORT RELIEF VALVE

210bar

1шт.

40

21E6-30540

SWITCH-BREAKER

BREAKER ONLY

1шт.

Выбрано товаров: 41