Запчасти Hyundai R370LC7 PAGE 1050 COOLING SYSTEM СИСТЕМА ДВИГАТЕЛЯ

Схема запчастей Hyundai R370LC7 - PAGE 1050 COOLING SYSTEM СИСТЕМА ДВИГАТЕЛЯ
FIT
1:1
100%

Артикул

Название

Примечание

Количество

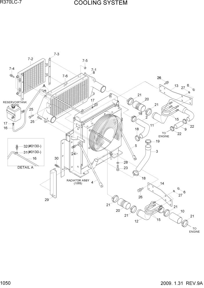
2

11N8-42201

HOSE

1шт.

3

11N8-42210

HOSE

1шт.

4

11N6-46170

STAY

1шт.

5

11N6-46200

STAY

1шт.

6

S275-12000B

NUT-SELF LOCKING

8шт.

7

11NA-40300

I/C & CONDENSER ASSY

W/AIRCON #0128

1шт.

7

11NA-40301

I/C & CONDENSER ASSY

W/AIRCON #0129

1шт.

7-1

11NA-40071

INTERCOOLER ASSY

#0128

1шт.

7-1

11NA-40072

INTERCOOLER ASSY

#0129

1шт.

7-2

11EM-90050

CONDENSER ASSY

1шт.

7-3

AP100212

BRACKET

2шт.

7-4

AZ710-006-013

BOLT

8шт.

7-5

AB616-003-043

NUT-HEX

4шт.

7-6

AP100236

SPONGE-RUBBER

1шт.

8

11NA-40071

INTERCOOLER ASSY

W/O AIRCON #0128

1шт.

8

11NA-40072

INTERCOOLER ASSY

W/O AIRCON #0129

1шт.

9

11NB-43090

HOSE

1шт.

10

11N8-46140

HOSE

1шт.

11

11N8-46121

PIPE-WA

1шт.

12

11N8-46131

PIPE-WA

1шт.

13

11N8-46110

BRACKET

1шт.

14

11N8-46101

BRACKET

1шт.

15

11N6-43280-DA

U-BOLT

4шт.

16

E111-2504

HOSE

1шт.

17

S520-015000

CLAMP-HOSE

2шт.

18

S572-770006

CLAMP-HOSE,WIRE TYPE

6шт.

19

S572-850006

CLAMP-HOSE,WIRE TYPE

2шт.

20

11N8-43270

HOSE-CAC

2шт.

21

11N6-20350

CLAMP-T/BOLT

6шт.

22

11N6-20381

CLAMP-T/BOLT

2шт.

23

S017-16040D

BOLT-HEX

4шт.

24

S037-123056

BOLT-W/WASHER

4шт.

25

S017-100456

BOLT-HEX

4шт.

26

S037-103056

BOLT-W/WASHER

8шт.

27

S403-12200B

WASHER-PLAIN

8шт.

28

S403-162006

WASHER-PLAIN

4шт.

29

11NA-44040

SCREEN

1шт.

30

S035-082526

BOLT-W/WASHER

3шт.

31

S541-180002

CLAMP-TUBE

#0129

1шт.

32

S035-061626

BOLT-W/WASHER

#0129

1шт.

Выбрано товаров: 40