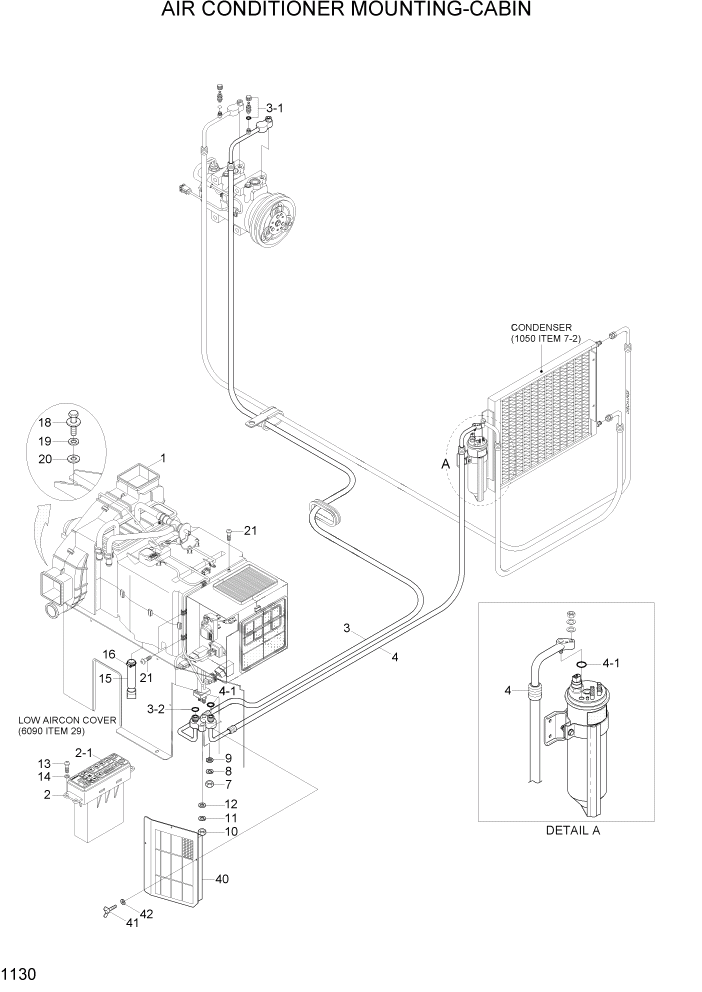
Запчасти Hyundai R370LC7 PAGE 1130 AIR CONDITIONER MOUNTING-CABIN СИСТЕМА ДВИГАТЕЛЯ

Схема запчастей Hyundai R370LC7 - PAGE 1130 AIR CONDITIONER MOUNTING-CABIN СИСТЕМА ДВИГАТЕЛЯ
FIT
1:1
100%

Артикул

Название

Примечание

Количество

1

@

AIRCON UNIT

NOT

1шт.

2

11N6-90031

CONTROL ASSY

1шт.

2-1

11N6-90850

DECAL-A/C & HEATER

1шт.

3

11N8-96140

HOSE-SUCTION

1шт.

3-1

A304000401-4

VALVE-CHARGE ASSY,L

1шт.

3-2

A305000203-2

O-RING

1шт.

4

11N8-90050

HOSE(B)-LIQUID

1шт.

4-1

A305000209-2

O-RING

2шт.

7

S205-06100B

NUT-HEX

1шт.

8

S411-060006

WASHER-SPRING

1шт.

9

S403-06100B

WASHER-PLAIN

1шт.

10

S205-08100B

NUT-HEX

1шт.

11

S411-080006

WASHER-SPRING

1шт.

12

S403-08100B

WASHER-PLAIN

1шт.

13

S179-050206

SCREW-SOCKET RD HD

4шт.

14

S403-05200B

WASHER-PLAIN

4шт.

15

11EK-92090

HOSE-DRAIN

1шт.

16

S520-020000

CLAMP-HOSE

1шт.

18

S017-120256

BOLT-HEX

4шт.

19

S441-12000B

WASHER-HARDENED

4шт.

20

73NB-56400

SHIM

4шт.

21

S151-040126

SCREW-TAPPING

4шт.

40

11N6-90340

FILTER-REC

1шт.

41

S091-060152

BOLT-WING

3шт.

42

S403-062006

WASHER-PLAIN

3шт.

Выбрано товаров: 25