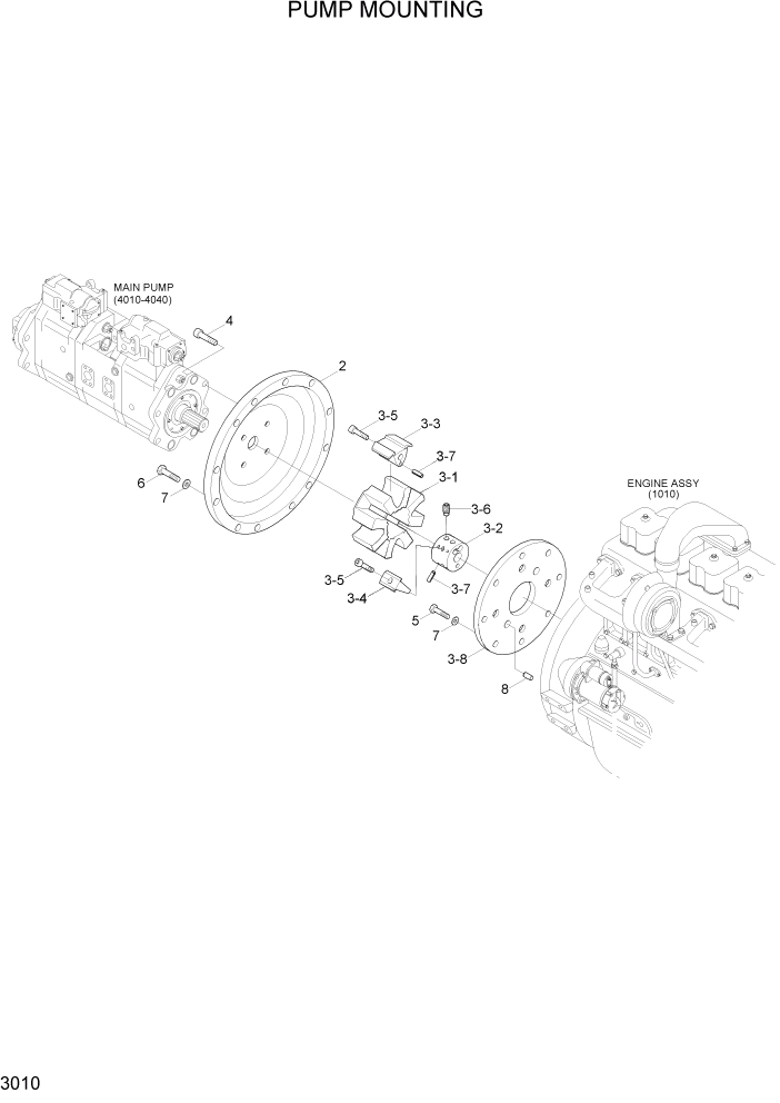
Запчасти Hyundai R370LC7 PAGE 3010 PUMP MOUNTING ГИДРАВЛИЧЕСКАЯ СИСТЕМА

Схема запчастей Hyundai R370LC7 - PAGE 3010 PUMP MOUNTING ГИДРАВЛИЧЕСКАЯ СИСТЕМА
FIT
1:1
100%

Артикул

Название

Примечание

Количество

2

E211-1502

HOUSING

1шт.

3

11E9-15022

COUPLING ASSY

1шт.

3-1

11E9-15080

HUB

1шт.

3-2

11E9-15091

ELEMENT

1шт.

3-3

11E9-15101

INSERT-A

4шт.

3-4

11E9-15111

INSERT-R

4шт.

3-5

S109-20050D

BOLT-SOCKET

8шт.

3-6

11E9-1507

BOLT-CLAMPING

2шт.

3-7

S472-800162

PIN-SPRING

12шт.

3-8

E211-1503

PLATE

1шт.

4

S109-20055D

BOLT-SOCKET

4шт.

5

S017-100356

BOLT-HEX

8шт.

6

S017-100656

BOLT-HEX

12шт.

7

S403-10200B

WASHER-PLAIN

20шт.

8

S472-910202

PIN-SPRING

2шт.

Выбрано товаров: 15