Запчасти Hyundai R450LC7 PAGE 1030 EXHAUST SYSTEM СИСТЕМА ДВИГАТЕЛЯ

Схема запчастей Hyundai R450LC7 - PAGE 1030 EXHAUST SYSTEM СИСТЕМА ДВИГАТЕЛЯ
FIT
1:1
100%

Артикул

Название

Примечание

Количество

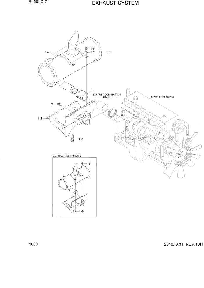
1

11NB-30010

MUFFLER SUB ASSY

#0004

1шт.

1

11NB-31011

MUFFLER SUB ASSY

#0005 - #0463

1шт.

1

11NB-35010

MUFFLER SUB ASSY

#0464 - #0503

1шт.

1

11NB-35011

MUFFLER SUB ASSY

#0504 - #0946

1шт.

1

11NB-33012

MUFFLER SUB ASSY

#0947 - #0996

1шт.

1

11NB-33013

MUFFLER SUB ASSY

#0997 - #1075

1шт.

1

11NB-33014

MUFFLER SUB ASSY

#1076

1шт.

1-1

11NB-30023

MUFFLER

#0004

1шт.

1-1

11NB-31021

MUFFLER

#0005 - #0503

1шт.

1-1

11NB-31022

MUFFLER

#0504 - #0946

1шт.

1-1

11NB-33022

MUFFLER

#0947 - #0996

1шт.

1-1

11QB-31021

MUFFLER

#0997 - #1075

1шт.

1-1

11NB-32020

MUFFLER

#1076

1шт.

1-2

11NB-30030

BRACKET

#0004

1шт.

1-2

11NB-31030

BRACKET

#0005 - #0463

1шт.

1-2

11NB-35031

BRACKET

#0464

1шт.

1-4

11N8-30160

CLAMP-BAND

#0004

2шт.

1-4

11N8-31040

CLAMP-BAND

#0005

2шт.

1-5

S037-102022

BOLT-W/WASHER

#1075

4шт.

1-5

S037-102522

BOLT-W/WASHER

#1076

4шт.

1-6

S205-101002

NUT-HEX

4шт.

1-7

S441-100002

WASHER-HARDENED

#1076

4шт.

2

11L6-50040

SEAL CLAMP ASSY

1шт.

3

S037-123022

BOLT-W/WASHER

2шт.

Выбрано товаров: 24