Запчасти Hyundai R450LC7A PAGE 1060 FUEL SYSTEM СИСТЕМА ДВИГАТЕЛЯ

Схема запчастей Hyundai R450LC7A - PAGE 1060 FUEL SYSTEM СИСТЕМА ДВИГАТЕЛЯ
FIT
1:1
100%

Артикул

Название

Примечание

Количество

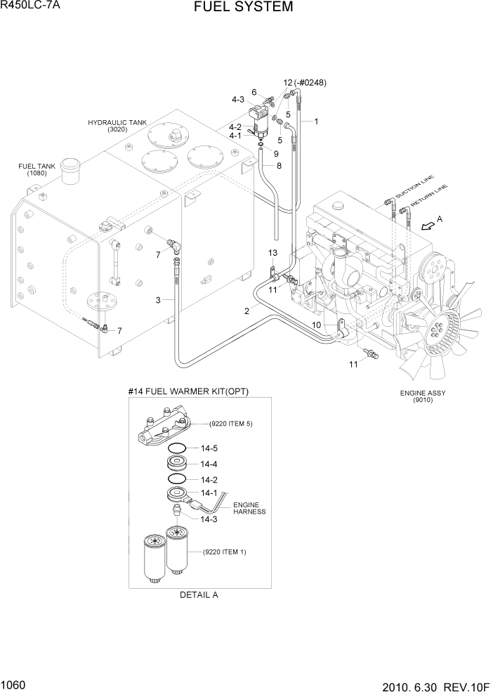
1

11EK-52310

HOSE-FUEL

1шт.

2

11NB-53030

HOSE ASSY

1шт.

3

11NB-50020

HOSE ASSY

1шт.

4

11LB-20300

PRE FILTER ASSY

#0083

1шт.

4

11NB-70400

PREFILTER ASSY

#0084

1шт.

4-1

11LD-20260

BOWL ASSY-W/KNOB

1шт.

4-2

11LB-20310

ELEMENT ASSY-F/FILTER

1шт.

4-3

11LD-20240

HEAD-FILTER

#0083

1шт.

4-3

11NB-70410

BOWL ASSY-W/HEATER

#0084

2шт.

4-3-1

11NB-70420

GASKET-DRAIN KNOB

NOT SHOWN #0001

1шт.

5

11NA-50040

CONNECTOR

#0248

2шт.

5

11QB-50040

CONNECTOR

#0249

2шт.

6

S035-083522

BOLT-W/WASHER

2шт.

7

P020-110003

ELBOW-90

2шт.

8

11M8-50030

HOSE ASSY

1шт.

9

S520-015000

CLAMP-HOSE

1шт.

10

31E7-0310

CLAMP-HOSE

2шт.

11

S037-102022

BOLT-W/WASHER

2шт.

12

P392-160000

WASHER-COPPER

#0248

2шт.

13

S593-001702

CLIP-HARNESS

2шт.

14

11NA-70410

FUEL WARMER KIT

OPTION #0295

1шт.

14-1

392702300

HEATER

1шт.

14-2

392666000

O-RING

1шт.

14-3

393430000

INSERT

1шт.

14-4

393446900

ADAPTER

1шт.

14-5

391902500

GASKET

1шт.

14-6

@

GLUE

NOT

1шт.

Выбрано товаров: 27