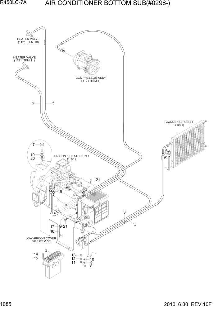
Запчасти Hyundai R450LC7A PAGE 1085 AIR CONDITIONER BOTTOM SUB(#0298-) СИСТЕМА ДВИГАТЕЛЯ

Схема запчастей Hyundai R450LC7A - PAGE 1085 AIR CONDITIONER BOTTOM SUB(#0298-) СИСТЕМА ДВИГАТЕЛЯ
FIT
1:1
100%

Артикул

Название

Примечание

Количество

2

11N6-90031

CONTROL ASSY-SEMI

1шт.

2

11N6-90331

CONTROL ASSY

HEATER

1шт.

2

11N6-90431

CONTROL ASSY-FATC

A/C&HEAT(AUTO)

1шт.

3

11NB-90041

SUCTION HOSE ASSY

EXCEPT HEATER

1шт.

4

11N8-90050

HOSE(B)-LIQUID

EXCEPT HEATER

1шт.

5

11EH-92060

HOSE

EXCEPT AIRCON

1шт.

6

11E6-92080

HOSE

EXCEPT AIRCON

1шт.

7

S017-120256

BOLT-HEX

4шт.

8

S205-06100B

NUT-HEX

EXCEPT HEATER

1шт.

9

S411-060006

WASHER-SPRING

EXCEPT HEATER

1шт.

10

S403-06200B

WASHER-PLAIN

EXCEPT HEATER

1шт.

11

S205-08100B

NUT-HEX

EXCEPT HEATER

1шт.

12

S411-080006

WASHER-SPRING

EXCEPT HEATER

1шт.

13

S403-08200B

WASHER-PLAIN

EXCEPT HEATER

1шт.

14

S179-050206

SCREW-SOCKET RD HD

4шт.

15

S403-05200B

WASHER-PLAIN

4шт.

16

11EK-92090

HOSE-DRAIN

1шт.

17

S520-020000

CLAMP-HOSE

EXCEPT AIRCON

1шт.

18

S572-220006

CLAMP-HOSE,WIRE TYPE

EXCEPT AIRCON

2шт.

19

S441-12000B

WASHER-HARDENED

4шт.

20

73NB-56400

SHIM

4шт.

21

S151-040126

SCREW-TAPPING

4шт.

Выбрано товаров: 22