Запчасти Hyundai R450LC7A PAGE 9090 CYLINDER BLOCK ДВИГАТЕЛЬ БАЗА

Схема запчастей Hyundai R450LC7A - PAGE 9090 CYLINDER BLOCK ДВИГАТЕЛЬ БАЗА
FIT
1:1
100%

Артикул

Название

Примечание

Количество

*

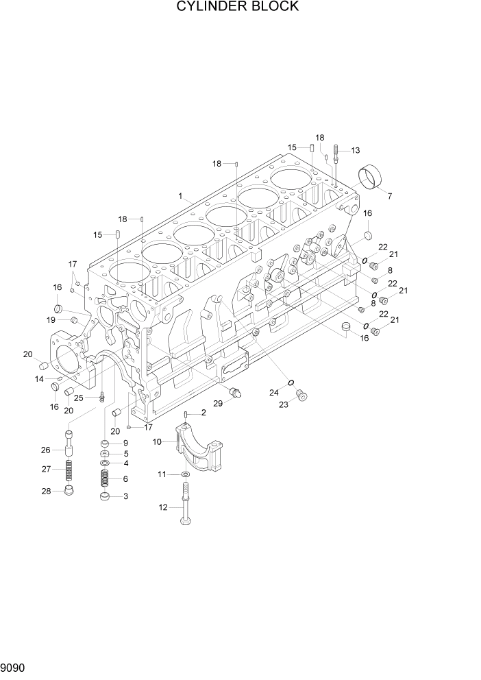
4060394

CYLINDER BLOCK

BB2706-12

1шт.

N1

3329058

BLOCK-CYLINDER

NOT

1шт.

2

148555

DOWEL-PIN

2шт.

3

179063

PLUG-RETAINER

1шт.

4

3014754

WASHER-PLAIN

1шт.

5

3014755

DISC-VALVE

1шт.

6

3014756

SPRING

1шт.

7

3820566

BUSHING

7шт.

8

3008466

PLUG-PIPE

2шт.

9

3026758

SEAT-PRESS R/VLV

1шт.

10

4060388

CAP-MAIN BEARING

NO.4 ONLY

1шт.

10

4060391

CAP-MAIN BEARING

1шт.

10

3026961

CAP-MAIN BEARING

6шт.

*

3803504

KIT-SCREW HEX CAP

14шт.

11

3019631

WASHER-PLAIN

1шт.

12

3328742

SCREW-HEX HEAD CAP

1шт.

13

3895832

STUD

7шт.

14

70550

DOWEL-PIN

1шт.

15

142207

DOWEL-PIN

2шт.

16

3007635

PLUG-EXPANSION

4шт.

17

3007632

PLUG-EXPANSION

9шт.

18

3008446

DOWEL-PIN

3шт.

19

3008468

PLUG-PIPE

1шт.

20

3026231

DOWEL-RING

3шт.

*

3037536

PLUG-THREADED

4шт.

21

3037536

PLUG-THREADED

1шт.

22

3037537

SEAL/O-RING

1шт.

*

3046202

PLUG-THREADED

1шт.

23

3040810

PLUG-THREADED

1шт.

24

3046201

SEAL/O-RING

1шт.

25

3069728

SENSOR-VISCOSITY

1шт.

26

3068979

PLUNGER

1шт.

27

3010146

SPRING-COMP

1шт.

28

3821725

PLUG-RETAINER

1шт.

29

3042619

NIPPLE-COUPLING

1шт.

*

3053349

DOWEL-PIN

1шт.

N

@

NOT INDIVIDUALLY SUPPLIED

NOT

1шт.

Выбрано товаров: 37