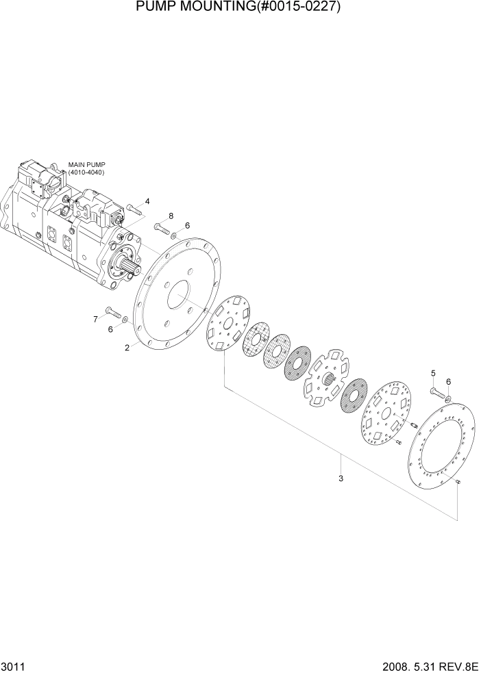
Запчасти Hyundai R450LC7A PAGE 3011 PUMP MOUNTING(#0015-#0227) ГИДРАВЛИЧЕСКАЯ СИСТЕМА

Схема запчастей Hyundai R450LC7A - PAGE 3011 PUMP MOUNTING(#0015-#0227) ГИДРАВЛИЧЕСКАЯ СИСТЕМА
FIT
1:1
100%

Артикул

Название

Примечание

Количество

*

@

PUMP MOUNTING

NOT #0015 - #0227

1шт.

2

14E7-00010

HOUSING

1шт.

3

14E7-00020

DAMPER ASSY

1шт.

4

S109-200604

BOLT-SOCKET

4шт.

5

14E7-00030

BOLT-HEX

12шт.

6

S411-100002

WASHER-SPRING

24шт.

7

S017-100652

BOLT-HEX

8шт.

8

S017-100702

BOLT-HEX

4шт.

Выбрано товаров: 8