Запчасти Hyundai R500LC7 PAGE 1030 EXHAUST SYSTEM СИСТЕМА ДВИГАТЕЛЯ

Схема запчастей Hyundai R500LC7 - PAGE 1030 EXHAUST SYSTEM СИСТЕМА ДВИГАТЕЛЯ
FIT
1:1
100%

Артикул

Название

Примечание

Количество

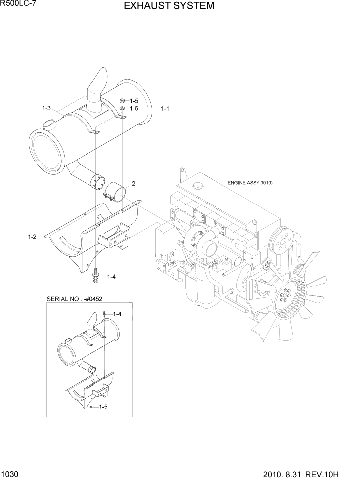
1

11NB-35010

MUFFLER SUB ASSY

#0011

1шт.

1

11NB-35011

MUFFLER SUB ASSY

#0012 - #0334

1шт.

1

11NB-33012

MUFFLER SUB ASSY

#0335 - #0361

1шт.

1

11NB-33013

MUFFLER SUB ASSY

#0362 - #0452

1шт.

1

11NB-33014

MUFFLER SUB ASSY

#0453

1шт.

1-1

11NB-31021

MUFFLER

#0011

1шт.

1-1

11NB-31022

MUFFLER

#0012 - #0334

1шт.

1-1

11NB-33022

MUFFLER

#0335 - #0361

1шт.

1-1

11QB-31021

MUFFLER

#0362 - #0452

1шт.

1-1

11NB-32020

MUFFLER

#0453

1шт.

1-2

11NB-35031

BRACKET

1шт.

1-3

11NB-31040

CLAMP-BAND

2шт.

1-4

S037-102022

BOLT-W/WASHER

#0452

4шт.

1-4

S037-102522

BOLT-W/WASHER

#0453

4шт.

1-5

S205-101002

NUT-HEX

4шт.

1-6

S441-100002

WASHER-HARDENED

#0453

4шт.

2

11L6-50040

SEAL CLAMP ASSY

1шт.

Выбрано товаров: 17