Качественные детали и логистика
Оригинальные и аналоговые запчасти с доставкой по России, Казахстану и Беларуси
©2022 PartSell ООО "Система" ИНН 2463123282 ОГРН 1212400004838
Центральный офис: г. Красноярск, Академика Киренского, д.87, пом.4
Телефон: 8 (800) 777-65-74 Email: zakaz@partsell.ru
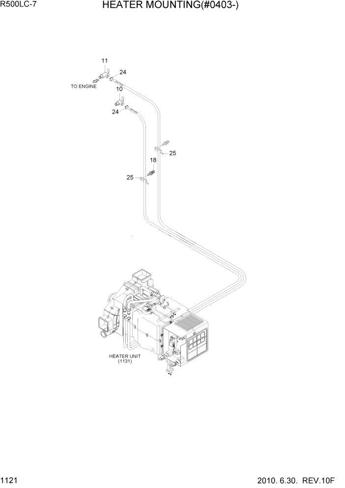
PAGE 1121 HEATER MOUNTING(#0403-)
№
Артикул
Название
Примечание
Количество
10
14L1-01350
VALVE-HEATER
1шт.
11
11L7-90150
18
S037-102026
BOLT-W/WASHER
24
S572-220006
CLAMP-HOSE,WIRE TYPE
2шт.
25
S593-001702
CLIP-HARNESS
3шт.
Выбрано товаров: 0