Качественные детали и логистика
Оригинальные и аналоговые запчасти с доставкой по России, Казахстану и Беларуси
©2022 PartSell ООО "Система" ИНН 2463123282 ОГРН 1212400004838
Центральный офис: г. Красноярск, Академика Киренского, д.87, пом.4
Телефон: 8 (800) 777-65-74 Email: zakaz@partsell.ru
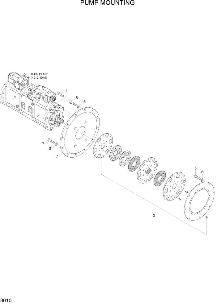
PAGE 3010 PUMP MOUNTING
№
Артикул
Название
Примечание
Количество
2
14E7-00010
HOUSING
1шт.
3
14E7-00020
DAMPER ASSY
4
S109-200604
BOLT-SOCKET
4шт.
5
14E7-00030
BOLT-HEX
12шт.
6
S411-100002
WASHER-SPRING
24шт.
7
S017-100652
8шт.
8
S017-100702
Выбрано товаров: 0