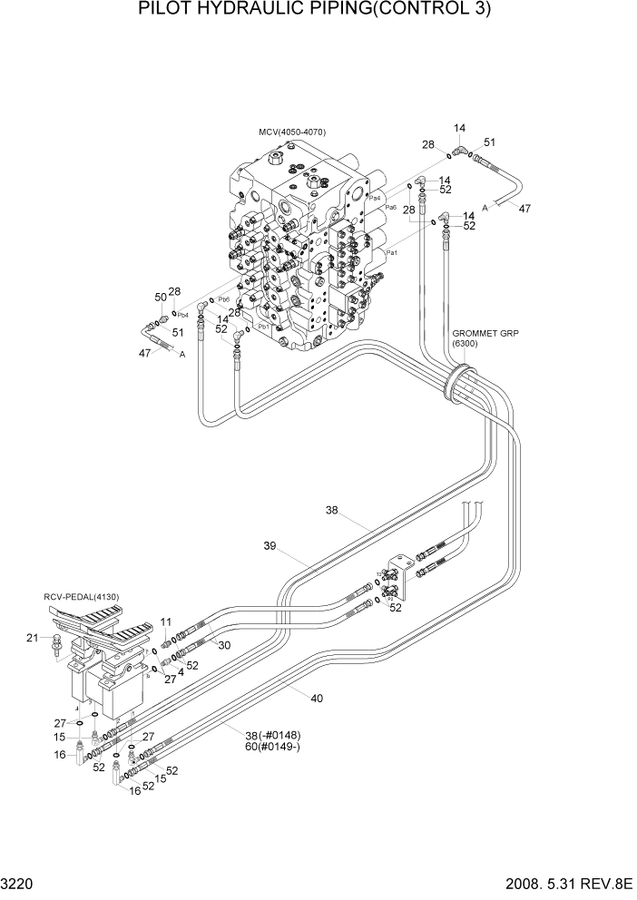
Запчасти Hyundai R500LC7 PAGE 3220 PILOT HYDRAULIC PIPING(CONTROL 3) ГИДРАВЛИЧЕСКАЯ СИСТЕМА

Схема запчастей Hyundai R500LC7 - PAGE 3220 PILOT HYDRAULIC PIPING(CONTROL 3) ГИДРАВЛИЧЕСКАЯ СИСТЕМА
FIT
1:1
100%

Артикул

Название

Примечание

Количество

4

31N6-25070

FILTER-LAST GUARD

1шт.

11

X500-110011

CONNECTOR-ORFS

1шт.

14

X520-110002

ELBOW-90,ORFS

4шт.

15

X520-110011

ELBOW-90,ORFS

2шт.

16

31N7-22100

ELBOW-90,ORFS,LONG

2шт.

21

S037-103026

BOLT W/WASHER-HEX

4шт.

27

S631-011004

O-RING

6шт.

28

S631-014004

O-RING

6шт.

30

X400-062019

HOSE ASSY-SYNFLEX,ORFS

2шт.

38

X400-062070

HOSE ASSY-SYNFLEX,ORFS

#0148

2шт.

38

X400-062070

HOSE ASSY-SYNFLEX,ORFS

#0149

2шт.

39

X400-062079

HOSE ASSY-SYNFLEX,ORFS

1шт.

40

X400-062081

HOSE ASSY-SYNFLEX,ORFS

1шт.

47

X400-042022

HOSE ASSY-SYNFLEX,ORFS

1шт.

50

X520-110012

ELBOW-90,ORFS

1шт.

51

S621-011001

O-RING

2шт.

52

S621-012001

O-RING(SEAL LOCK TYPE)

12шт.

60

X400-062076

HOSE ASSY-SYNFLEX,ORFS

#0149

1шт.

Выбрано товаров: 0