Запчасти Hyundai R800LC7A PAGE 1010 ENGINE MOUNTING СИСТЕМА ДВИГАТЕЛЯ

Схема запчастей Hyundai R800LC7A - PAGE 1010 ENGINE MOUNTING СИСТЕМА ДВИГАТЕЛЯ
FIT
1:1
100%

Артикул

Название

Примечание

Количество

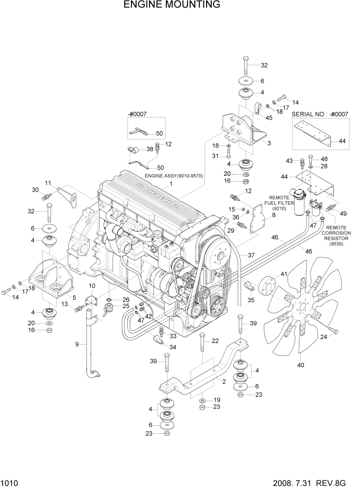
1

11ND-00010

ENGINE ASSY

1шт.

2

11ND-00032

HANGER WA

1шт.

3

11ND-00132

BRACKET-ENGINE MTG

1шт.

4

11N6-13065

RESILIENT

12шт.

5

11ND-00310

BRACKET-ENGINE MTG

1шт.

6

11ND-00210

WASHER-MOUNT

6шт.

8

11ND-00230

BRACKET

1шт.

9

11ND-00281

PIPE ASSY

1шт.

10

11ND-00271

BRACKET

1шт.

11

11ND-00300

BRACKET

1шт.

12

S035-082526

BOLT-W/WASHER

8шт.

13

S037-122526

BOLT-W/WASHER

2шт.

14

S087-100566

BOLT-HEX,UNIFIED

8шт.

15

S205-081006

NUT-HEX

2шт.

16

S205-24100B

NUT-HEX

6шт.

17

S411-160006

WASHER-SPRING

12шт.

18

S441-160006

WASHER-HARDENED

12шт.

19

S441-200006

WASHER-HARDENED

4шт.

20

S441-240006

WASHER-HARDENED

12шт.

22

S017-20115D

BOLT-HEX

2шт.

23

S205-20100B

NUT-HEX

2шт.

24

S087-080806

BOLT-HEX,UNIFIED

6шт.

25

11ND-00291

DRAIN VALVE-ENG OIL

1шт.

26

Y161-024001

O-RING

1шт.

28

S403-12100B

WASHER-PLAIN

4шт.

29

S037-102526

BOLT-W/WASHER

4шт.

30

S037-123526

BOLT-W/WASHER

3шт.

31

S087-100286

BOLT-HEX,UNIFIED

4шт.

32

S017-24210D

BOLT-HEX

4шт.

33

S037-102026

BOLT-W/WASHER

3шт.

34

31L7-10270

CLAMP-TUBE

2шт.

35

31L7-10230

CLAMP

2шт.

36

S403-08200B

WASHER-PLAIN

2шт.

37

11E6-92070

HODE-DRAIN

1шт.

38

S543-140002

CLAMP-TUBE,INS SINGLE

2шт.

39

S017-24240D

BOLT-HEX

2шт.

40

11ND-00100

FAN,COOLING

1шт.

41

11ND-00022

SPACER

1шт.

42

P090-100602

CONNECTOR-HOSE

2шт.

43

S037-105026

BOLT-W/WASHER

4шт.

44

11ND-00331

BRACKET

#0007

1шт.

44

11ND-00332

BRACKET

#0008

1шт.

45

31L7-10210

CLAMP-TUBE

1шт.

46

11ND-00361

HOSE

2шт.

47

S520-017000

CLAMP-HOSE

4шт.

48

S087-060326

BOLT-HEX,UNIFIED

4шт.

49

S037-123026

BOLT-W/WASHER

4шт.

50

11ND-00321

BRACKET-OIL GUAGE

#0007

1шт.

50

11ND-00322

BRACKET-OIL GUAGE

#0008 - #0020

1шт.

50

11ND-00323

BRACKET-OIL GUAGE

#0021

1шт.

Выбрано товаров: 50