Запчасти Hyundai R800LC7A PAGE 6080 CAB INTERIOR 1 СТРУКТУРА

Схема запчастей Hyundai R800LC7A - PAGE 6080 CAB INTERIOR 1 СТРУКТУРА
FIT
1:1
100%

Артикул

Название

Примечание

Количество

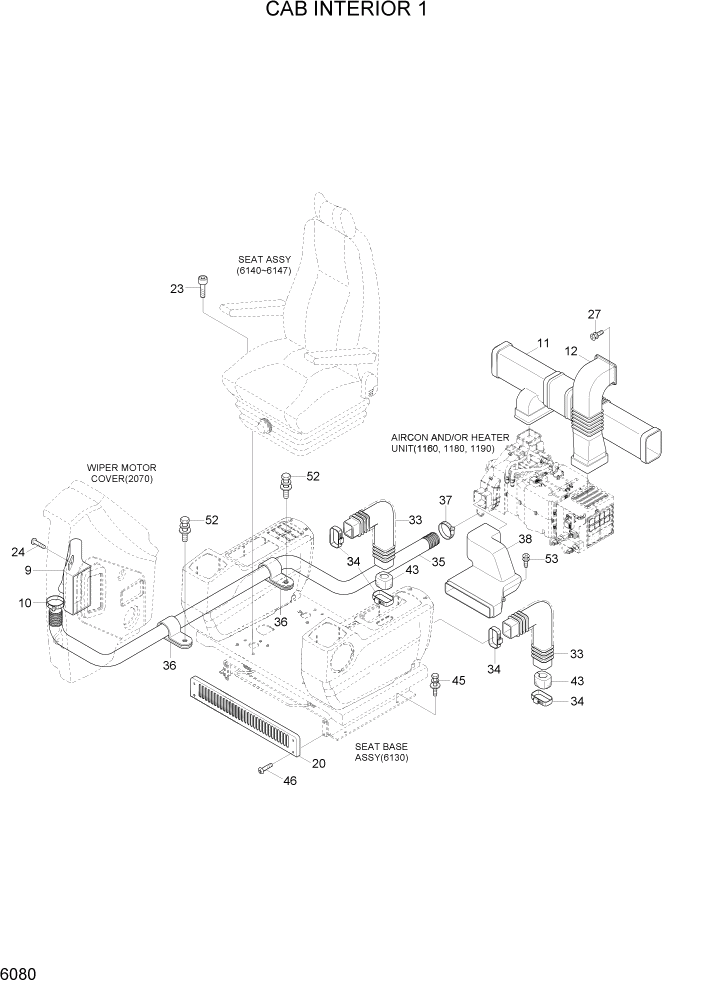
9

71N6-20221

DUCT-DEFROSTER

1шт.

10

S520-055000

CLAMP-HOSE,SCREW DRIVE

1шт.

11

71N6-20241

DUCT-VENT

1шт.

12

71N6-20251

DUCT-INLET

1шт.

20

71N6-20020

COVER-SEAT BASE

1шт.

23

S109-080306

BOLT-SOCKET

4шт.

24

S131-040826

SCREW W/WASHER CR RH

2шт.

27

S132-061546

SCREW W/WASHER CR RH

4шт.

33

71N6-20181

TUBE

2шт.

34

S520-115000

CLAMP-HOSE,SCREW DRIVE

4шт.

35

71N6-20210

HOSE-DEFROSTER

1шт.

36

71N6-20230

CLAMP-HOSE

2шт.

37

S520-055000

CLAMP-HOSE,SCREW DRIVE

1шт.

38

71N6-20261

DUCT-FOOT

1шт.

43

71N6-20450

FILTER-SPONGE

2шт.

45

S037-102526

BOLT-W/WASHER

4шт.

46

S131-051546

SCREW W/WASHER CR RH

4шт.

52

S037-102026

BOLT W/WASHER-HEX

2шт.

53

S132-061676

SCREW W/WASHER CR RH

3шт.

Выбрано товаров: 0