Запчасти Hyundai R800LC7A PAGE 9050 CYLINDER BLOCK ДВИГАТЕЛЬ БАЗА

Схема запчастей Hyundai R800LC7A - PAGE 9050 CYLINDER BLOCK ДВИГАТЕЛЬ БАЗА
FIT
1:1
100%

Артикул

Название

Примечание

Количество

*

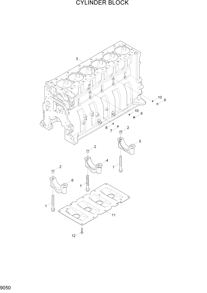
4089161

CYLINDER BLOCK KIT

BB1725-04

1шт.

*-1

3682862

BLOCK-CYLINDER

1шт.

1

3678506

SCREW-HEX FLANGE

14шт.

2

3678507

DOWEL-RING

14шт.

N3

3683265

BLOCK-CYLINDER

NOT

1шт.

N4

3680246

CAP-MAIN BEARING

NOT

1шт.

5

3688547

CAP-MAIN BEARING

NO. 1

1шт.

6

3688549

CAP-MAIN BEARING

NO. 2,3,5,6,7

5шт.

7

3678610

PLUG-THREADED

1шт.

8

3678603

SEAL/O-RING

1шт.

9

3678921

PLUG-THREADED

2шт.

10

3678912

SEAL/O-RING

1шт.

11

3680425

PLATE-CYL BLK

1шт.

12

3680781

SCREW-HEX FLANGE

10шт.

N

@

NOT INDIVIDUALLY SUPPLIED

NOT

ARшт.

Выбрано товаров: 15