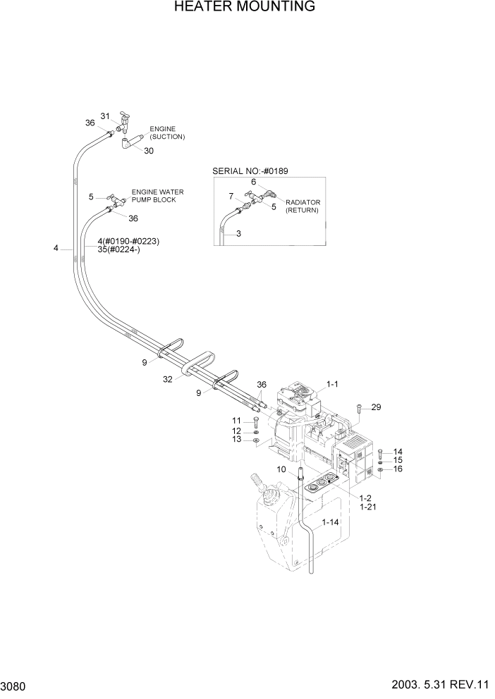
Запчасти Hyundai R160LC3 PAGE 3080 HEATER MOUNTING ЭЛЕКТРИЧЕСКАЯ СИСТЕМА

Схема запчастей Hyundai R160LC3 - PAGE 3080 HEATER MOUNTING ЭЛЕКТРИЧЕСКАЯ СИСТЕМА
FIT
1:1
100%

Артикул

Название

Примечание

Количество

1

11EM-90610

HEATER ASSY

1шт.

1-1

11EM-90320

HEATER UNIT

#0001

1шт.

1-2

11EM-90030

CONTROL ASSY

1шт.

1-21

AE60001100-2

KNOB

NOT SHOWN #0001

3шт.

1-14

11EK-92090

HOSE-DRAIN

1шт.

3

11E6-92070

HOSE

#0189

1шт.

4

11E6-92080

HOSE

#0189

1шт.

4

11E6-92080

HOSE

#0190 - #0223

2шт.

4

11EK-92080

HOSE-SUCTION

#0224

1шт.

5

31E9-1082

VALVE-STOP

#0189

1шт.

5

14L1-01350

VALVE-HEATER

#0190

1шт.

6

31E5-3054

ELBOW

#0189

1шт.

7

11EK-92050

CONNECTOR

#0189

1шт.

9

S551-035146

TIE-WIRE

2шт.

10

S520-015000

CLAMP-HOSE

#0515

5шт.

10

S520-015000

CLAMP-HOSE

#0516

1шт.

11

S017-120302

BOLT-HEX

4шт.

12

S411-120002

WASHER-SPRING

4шт.

13

S403-122002

WASHER-PLAIN

4шт.

14

S015-050162

BOLT-HEX

4шт.

15

S411-050002

WASHER-SPRING

4шт.

16

S401-051002

WASHER-PLAIN

4шт.

29

S152-040122

SCREW-TAPPING

4шт.

30

14EA-92010

ADAPTER-HEATER

1шт.

31

14L1-01370

VALVE-HEATER

1шт.

32

S760-031200

GROMMET

1шт.

35

11EK-92070

HOSE-RETURN

#0224

1шт.

36

S572-220006

CLAMP-HOSE WIRE TYPE

#0516

4шт.

Выбрано товаров: 0