Запчасти Hyundai R160LC3 PAGE 6040 BUCKET CONTROL GROUP РАБОЧЕЕ ОБОРУДОВАНИЕ

Схема запчастей Hyundai R160LC3 - PAGE 6040 BUCKET CONTROL GROUP РАБОЧЕЕ ОБОРУДОВАНИЕ
FIT
1:1
100%

Артикул

Название

Примечание

Количество

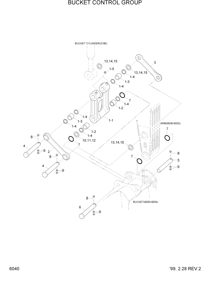
1

61EG-21000

CONTROL ROD ASSY

1шт.

1-1

61EG-21010

ROD-CONTROL

1шт.

1-2

61EK-11280

BUSHING

2шт.

1-3

61EG-11240

BUSHING

2шт.

1-4

S700-070206

SEAL-DUST

6шт.

1-5

S651-810002

NIPPLE-GREASE

3шт.

2

61EG-21100

CONTROL LINK-LH

1шт.

3

61EG-21110

CONTROL LINK-RH

1шт.

4

61EK-11080

PIN-ATTACH

2шт.

5

61EK-11100

PIN-ATTACH

#0162

1шт.

5

61EK-11101

PIN-ATTACH

#0163

1шт.

6

61EK-11110

PIN-ATTACH

1шт.

7

E161-3055

O-RING

4шт.

8

S017-161302

BOLT-HEX

4шт.

9

S205-161002

NUT-HEX

8шт.

10

S390-070120

SHIM-ROUND(0.5?)

2шт.

11

S391-070120

SHIM-ROUND(1.0?)

2шт.

12

S392-070120

SHIM-ROUND(2.0?)

1шт.

13

S390-070135

SHIM-ROUND(0.5T)

3шт.

14

S391-070135

SHIM-ROUND(1.0T)

3шт.

15

S392-070135

SHIM-ROUND(2.0T)

2шт.

Выбрано товаров: 21