Запчасти Hyundai R160LC3 PAGE 8310 OIL LEVEL GAUGE 1 ДВИГАТЕЛЬ БАЗА

Схема запчастей Hyundai R160LC3 - PAGE 8310 OIL LEVEL GAUGE 1 ДВИГАТЕЛЬ БАЗА
FIT
1:1
100%

Артикул

Название

Примечание

Количество

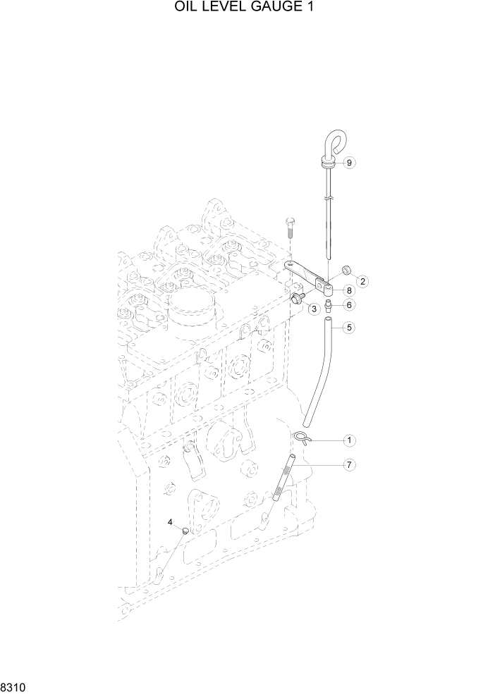
1

3909395

CLAMP

LG9003

1шт.

2

3900240

NUT

1шт.

3

3900629

SCREW

1шт.

4

3900955

PLUG-EXPANSION

1шт.

5

3905799

TUBE-OIL GAUGE

1шт.

6

3905802

END-TUBE

1шт.

7

3279104

TUBE

1шт.

8

3905804

BRACE-TUBE

1шт.

9

3907708

DIPSTICK

1шт.

Выбрано товаров: 0