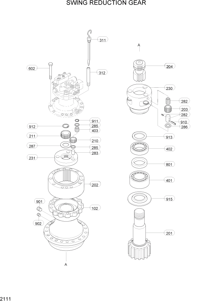
Запчасти Hyundai R160LC3 PAGE 2111 SWING REDUCTION GEAR ГИДРАВЛИЧЕСКАЯ СИСТЕМА

Схема запчастей Hyundai R160LC3 - PAGE 2111 SWING REDUCTION GEAR ГИДРАВЛИЧЕСКАЯ СИСТЕМА
FIT
1:1
100%

Артикул

Название

Примечание

Количество

*

@

SWING MOTOR

NOT

1шт.

*-2

6-3001e+17

S/REDUUCTON GEAR

1шт.

102

6323310-0144

CASING

1шт.

201

6324250-0328

SHAFT-DRIVE

1шт.

202

6303190-0119

GEAR-RING

1шт.

203

6303190-012

007002

4шт.

204

6303190-0121

GEAR-SUN 2

1шт.

210

6303190-0125

GEAR 1

3шт.

211

6303190-0123

GEAR-SUN 1

1шт.

230

6324120-0046

CARRIER 2

1шт.

S231

6324120-0048

CARRIER 1

1шт.

282

6303540-0106

PIN 2

4шт.

S283

6303540-0111

PIN 1

3шт.

285

6333360-0243

PLATE A

6шт.

286

6333360-0234

PLATE B

4шт.

287

6333360-0235

PLATE C

1шт.

311

6343700401

BAR-LEVEL

1шт.

312

6353700406

PIPE

1шт.

401

P22320

BEARING-ROLLER

1шт.

402

P22218RH

BEARING-ROLLER

1шт.

403

PKT455325

CAGE-NEEDLE

3шт.

602

OSBM14130

SCREW

14шт.

801

PTC10012513

SEAL-OIL

1шт.

901

OBP12U

PLUG

1шт.

902

OBP14U

PLUG

2шт.

910

OSPV820

PIN-SPRING

4шт.

911

OSR45

RING-SNAP

3шт.

912

OSR35

RING-STOP

1шт.

913

OSR90

RING-SNAP

1шт.

915

6326210-0015

SEAL-BEARING

1шт.

S

6321120-0027

CARRIER SUB

1шт.

Выбрано товаров: 31