Запчасти Hyundai R140W9 PAGE 3516 BOOM GREASE LUB SYSTEM(ADJUST BOOM) ГИДРАВЛИЧЕСКАЯ СИСТЕМА

Схема запчастей Hyundai R140W9 - PAGE 3516 BOOM GREASE LUB SYSTEM(ADJUST BOOM) ГИДРАВЛИЧЕСКАЯ СИСТЕМА
FIT
1:1
100%

Артикул

Название

Примечание

Количество

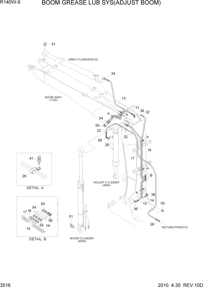
11

P840-042025

HOSE ASSY-SYN THD

1шт.

13

P840-042029

HOSE ASSY-SYN THD

1шт.

14

P840-042015

HOSE ASSY-SYN THD

1шт.

15

P840-042016

HOSE ASSY-SYN THD

1шт.

16

P840-042035

HOSE ASSY-SYN THD

1шт.

17

P840-042036

HOSE ASSY-SYN THD

1шт.

22

P910-042126

HOSE ASSY-ORFS 0X0

1шт.

26

S621-011001

O-RING

2шт.

27

X840-515151

TEE-R/TYPE,SWIVEL,ORFS

1шт.

28

31Q6-50380

CLAMP-HOSE

5шт.

32

P010-430011

CONNECTOR

2шт.

33

31N6-90550

ELBOW-90,ORFS

1шт.

34

E231-0207

ELBOW-45

1шт.

36

31NB-50280

ELBOW-90

3шт.

41

S035-082026

BOLT-W/WASHER

5шт.

50

S651-810002

NIPPLE-GREASE

7шт.

51

S653-810002

NIPPLE-GREASE

3шт.

54

31W5-70060

CONNECTOR

6шт.

Выбрано товаров: 18