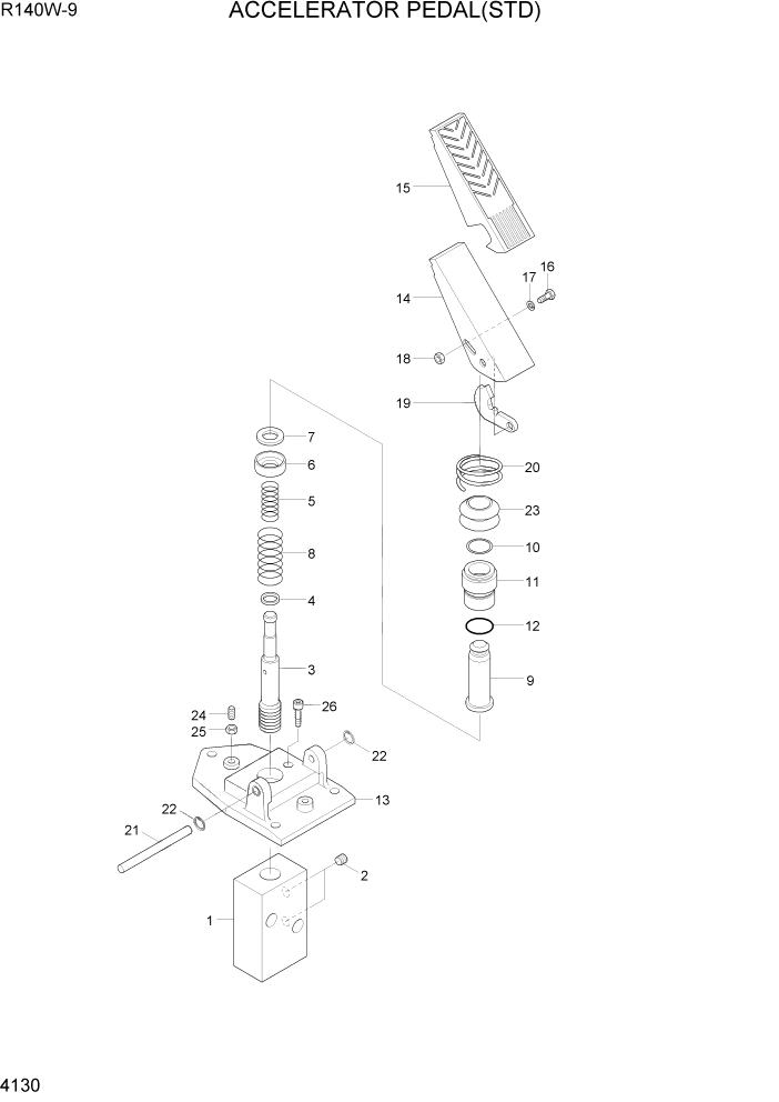
Запчасти Hyundai R140W9 PAGE 4130 ACCELERATOR PEDAL(STD) ГИДРАВЛИЧЕСКИЕ КОМПОНЕНТЫ

Схема запчастей Hyundai R140W9 - PAGE 4130 ACCELERATOR PEDAL(STD) ГИДРАВЛИЧЕСКИЕ КОМПОНЕНТЫ
FIT
1:1
100%

Артикул

Название

Примечание

Количество

*

31N5-20020

ACCELERATOR PEDAL

1шт.

1

XKAY-00079

BODY

1шт.

2

XKAY-00065

PLUG

2шт.

3

XKAY-00080

SPOOL

1шт.

4

XKAY-00081

SEAT-SPRING

1шт.

5

XKAY-00082

SPRING

1шт.

6

XKAY-00083

SEAT-SPRING

1шт.

7

XKAY-00084

STOPPER

1шт.

8

XKAY-00085

SPRING

1шт.

9

XKAY-00113

PUSH ROD

1шт.

10

XKAY-00055

SEAL-ROD

1шт.

11

XKAY-00114

PLUG

1шт.

12

XKAY-00100

O-RING

1шт.

13

XKAY-00112

PLATE

1шт.

14

XKAY-00111

PEDAL

1шт.

15

XKAY-00110

PEDAL COVER

1шт.

16

XKAY-00109

HEX BOLT

1шт.

17

XKAY-00108

WASHER

1шт.

18

XKAY-00107

NUT

1шт.

19

XKAY-00106

YOKE

1шт.

20

XKAY-00105

SPRING

1шт.

21

XKAY-00104

GUIDE PIN

1шт.

22

XKAY-00103

SNAP RING

2шт.

23

XKAY-00102

BELLOWS

1шт.

24

XKAY-00101

SCREW-SET

2шт.

25

XKAY-00006

NUT-HEX

1шт.

26

XKAY-00096

BOLT-SOCKET

2шт.

Выбрано товаров: 27