Запчасти Hyundai R170W9 PAGE 1010 ENGINE MOUNTING СИСТЕМА ДВИГАТЕЛЯ

Схема запчастей Hyundai R170W9 - PAGE 1010 ENGINE MOUNTING СИСТЕМА ДВИГАТЕЛЯ
FIT
1:1
100%

Артикул

Название

Примечание

Количество

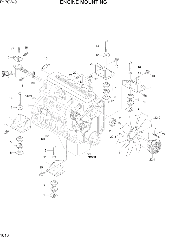
1

11Q5-01010

ENGINE ASSY

1шт.

2

11N8-07101

BRACKET WA-ENG MTG

1шт.

3

11N8-07111

BRACKET WA-ENG MTG

1шт.

4

11N6-00021

BRACKET-FRONT

1шт.

5

11Q6-00221

BRACKET-ENG & COMP

1шт.

6

11N6-13050

RUBBER-MOUNT

GREEN

4шт.

7

11N6-10445

RUBBER-MOUNT

YELLOW

4шт.

8

11N8-07200

NUT-STOPPER

2шт.

9

11Q4-02000

NUT-STOPPER

2шт.

10

11Q4-00151

BRACKET-OIL FILTER

1шт.

11

S441-200006

WASHER-HARDENED

2шт.

12

S441-240006

WASHER-HARDENED

2шт.

13

S017-20120D

BOLT-HEX

2шт.

14

S017-24190D

BOLT-HEX

2шт.

15

S037-123556

BOLT-W/WASHER

14шт.

16

S037-102526

BOLT-W/WASHER

4шт.

17

S035-082526

BOLT-W/WASHER

4шт.

18

11N6-00030

BRACKET

1шт.

19

S035-124026

BOLT-W/WASHER

1шт.

20

11N7-00030

HOSE-BREATHER

1шт.

21

S520-027000

CLAMP-HOSE

1шт.

22

11Q6-00301

FAN CLUTCH ASSY

1шт.

22-1

11Q6-00250

CLUTCH-FAN

1шт.

22-2

11Q6-01250

FAN-COOLING

1шт.

22-3

S285-081006

NUT-FLANGED

6шт.

23

11Q6-00160

SPACER

1шт.

24

S027-100306

BOLT-MINI HEX

4шт.

25

S109-100256

BOLT-SOCKET

4шт.

26

S411-100006

WASHER-SPRING

4шт.

27

S403-10000B

WASHER-PLAIN

4шт.

28

S035-081526

BOLT-W/WASHER

1шт.

29

S543-260002

CLAMP-TUBE

1шт.

30

31L7-10260

CLAMP-TUBE

2шт.

Выбрано товаров: 33