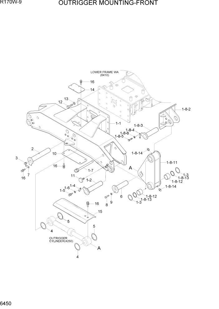
Запчасти Hyundai R170W9 PAGE 6450 OUTRIGGER MOUNTING-FRONT СТРУКТУРА

Схема запчастей Hyundai R170W9 - PAGE 6450 OUTRIGGER MOUNTING-FRONT СТРУКТУРА
FIT
1:1
100%

Артикул

Название

Примечание

Количество

1

51Q5-53001

OUTRIGGER ASSY-FRONT

1шт.

1-1

51Q5-53011

FRAME WA-FR OUTRIGGER

1шт.

1-2

53N5-52500GG

PIN-LEG

2шт.

1-3

S391-070120

SHIM-ROUND(1.0T)

4шт.

1-4

51EK-52560GG

PLATE-LOCK

2шт.

1-5

S017-120256

BOLT-HEX

4шт.

1-6

S411-120006

WASHER-SPRING

4шт.

1-7

51EK-52542GG

PIN-SAFETY

2шт.

1-8

51Q5-53201

LEG & FOOT ASSY

2шт.

1-8-1

51Q5-52201

LEG ASSY

1шт.

1-8-11

51Q5-52211

LEG WA

1шт.

1-8-12

51Q4-55200

BUSHING

4шт.

1-8-13

Y020-070011

SEAL-DUST,DLI,KPU

4шт.

1-8-14

S651-810002

NIPPLE-GREASE

2шт.

1-8-2

51Q5-52301

FOOT WA

1шт.

1-8-3

53N5-52510GG

PIN-FOOT

1шт.

1-8-4

51EK-52560GG

PLATE-LOCK

1шт.

1-8-5

S017-120256

BOLT-HEX

2шт.

1-8-6

S411-120006

WASHER-SPRING

2шт.

2

53N5-52520GG

PIN-CYL HEAD

2шт.

3

S651-810002

NIPPLE-GREASE

2шт.

4

S390-075130

SHIM-ROUND(0.5T)

8шт.

5

S391-075130

SHIM-ROUND(1.0T)

8шт.

6

51Q5-52561

PIN-CYL ROD

2шт.

7

51EK-52560GG

PLATE-LOCK

4шт.

8

S017-120256

BOLT-HEX

4шт.

9

S441-12000B

WASHER-HARDENED

4шт.

10

53N5-52570GG

PLATE-COVER

1шт.

11

51EK-52990

REFLECTOR-REAR

2шт.

12

S018-30065D

BOLT-HEX

16шт.

13

S441-300006

WASHER-HARDENED

16шт.

14

53N5-27120GG

COVER

1шт.

15

51N6-52540GG

COVER-CYL ROD

2шт.

16

S037-122556

BOLT-W/WASHER

16шт.

Выбрано товаров: 34