Запчасти Hyundai R210W-9 PAGE 1010 ENGINE MOUNTING СИСТЕМА ДВИГАТЕЛЯ

Схема запчастей Hyundai R210W-9 - PAGE 1010 ENGINE MOUNTING СИСТЕМА ДВИГАТЕЛЯ
FIT
1:1
100%

Артикул

Название

Примечание

Количество

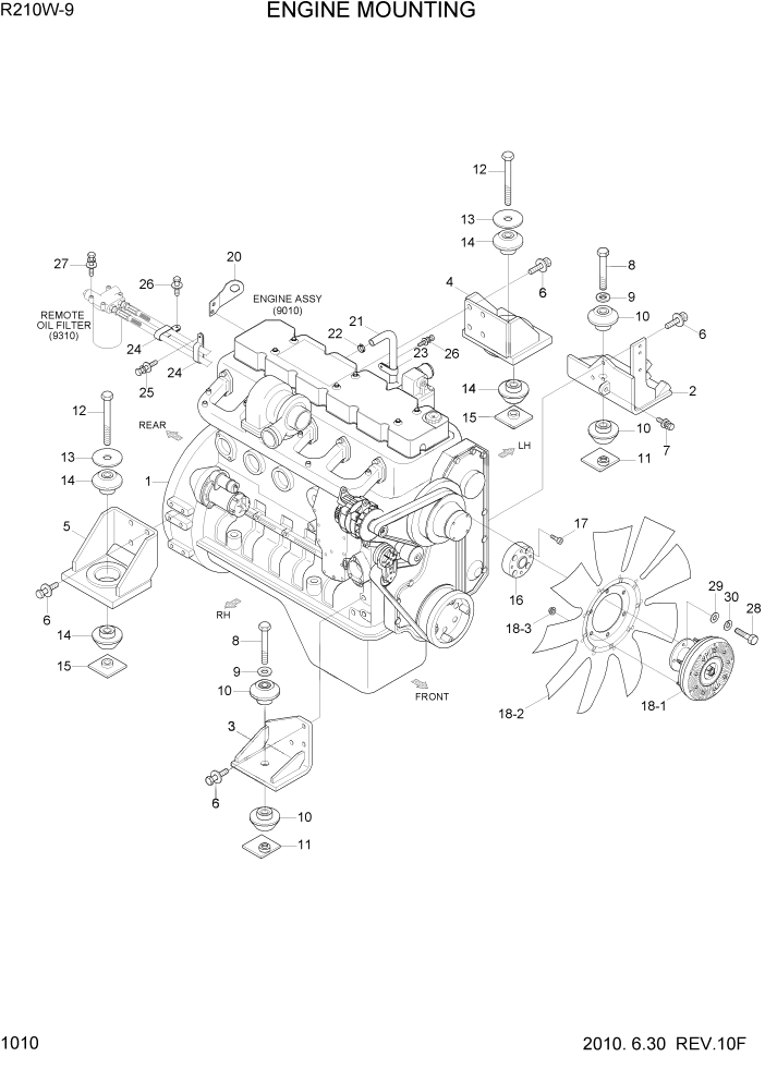
1

11Q6-00010

ENGINE ASSY

1шт.

2

11Q6-00221

BRACKET-ENG & COMP

1шт.

3

11Q6-00020

BRACKET-FRONT

1шт.

4

11N8-07101

BRACKET WA-ENG MTG

1шт.

5

11N8-07111

BRACKET WA-ENG MTG

1шт.

6

S037-123556

BOLT-W/WASHER

14шт.

7

S037-124026

BOLT-W/WASHER

1шт.

8

S017-20135D

BOLT-HEX

2шт.

9

S441-200006

WASHER-HARDENED

2шт.

10

11N6-10445

RUBBER-MOUNT

4шт.

11

11N6-00150

NUT-STOPPER

2шт.

12

S017-24190D

BOLT-HEX

2шт.

13

S441-240006

WASHER-HARDENED

2шт.

14

11N6-13050

RUBBER-MOUNT

4шт.

15

11N8-07200

NUT-STOPPER

2шт.

16

11Q6-00160

SPACER

1шт.

17

S109-100356

BOLT-SOCKET

4шт.

18

11Q6-00290

FAN CLUTCH ASSY

#0001

1шт.

18-1

11Q6-00250

CLUTCH-FAN

#0001

1шт.

18-2

11Q6-01250

FAN-COOLING

#0001

1шт.

18-3

S285-081006

NUT-FLANGED

6шт.

20

11N6-00030

BRACKET

1шт.

21

11Q6-04010

HOSE-BREATHER

1шт.

22

S520-027000

CLAMP-HOSE,SCREW TYPE

1шт.

23

31L7-10210

CLAMP-TUBE,INS

1шт.

24

31L7-10260

CLAMP-TUBE

2шт.

25

S037-122526

BOLT-W/WASHER

1шт.

26

S035-081556

BOLT-W/WASHER

2шт.

27

S035-082526

BOLT-W/WASHER

4шт.

28

S027-100306

BOLT-MINI HEX

4шт.

29

S403-10000B

WASHER-PLAIN

4шт.

30

S411-100006

WASHER-SPRING

4шт.

Выбрано товаров: 32