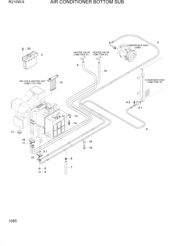
Запчасти Hyundai R210W-9 PAGE 1085 AIR CONDITIONER BOTTOM SUB СИСТЕМА ДВИГАТЕЛЯ

Схема запчастей Hyundai R210W-9 - PAGE 1085 AIR CONDITIONER BOTTOM SUB СИСТЕМА ДВИГАТЕЛЯ
FIT
1:1
100%

Артикул

Название

Примечание

Количество

2

11Q6-90310

CONTROL ASSY

STD,FULL AUTO

1шт.

2

11Q6-90031

CONTROL ASSY

OPT,SEMI AUTO

1шт.

2

11Q6-90131

CONTROL ASSY

HEATER ONLY

1шт.

3

11Q6-94340

HOSE-SUCTION

1шт.

3-1

A3050-002-03-2

O-RING

2шт.

4

11Q6-94330

HOSE-LIQUID

1шт.

4-1

A3050-002-09-2

O-RING

1шт.

4-2

A8220-010-00-2

PRESSURE SWITCH

1шт.

5

S205-08100B

NUT-HEX

1шт.

6

S403-08100B

WASHER-PLAIN

1шт.

7

11ND-90200

DRAIN HOSE ASSY

1шт.

8

S520-017000

CLAMP-HOSE

1шт.

9

11EE-91020

HOSE-HEATER

1шт.

10

11E6-92070

HOSE-DRAIN

1шт.

11

S572-220006

CLAMP-HOSE,WIRE TYPE

2шт.

12

11Q6-90500

APTC ASSY

1шт.

13

11Q6-90290

BRACKET

1шт.

14

S037-101526

BOLT-W/WASHER

1шт.

15

11Q6-90430

GROMMET

1шт.

16

11Q6-90440

GROMMET

1шт.

17

21LB-34020

GROMMET-HARNESS

1шт.

18

S037-122556

BOLT-W/WASHER

4шт.

19

73NB-56400

SHIM

4шт.

20

S132-052056

SCREW-W/WASHER

4шт.

Выбрано товаров: 0