Запчасти Hyundai R210W-9 PAGE 1120 HEATER MOUNTING СИСТЕМА ДВИГАТЕЛЯ

Схема запчастей Hyundai R210W-9 - PAGE 1120 HEATER MOUNTING СИСТЕМА ДВИГАТЕЛЯ
FIT
1:1
100%

Артикул

Название

Примечание

Количество

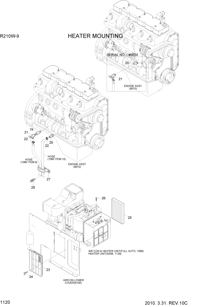
19

11LB-90160

ADAPTER

1шт.

20

11Q8-90350

FITTING-CONNECTOR

#0030

1шт.

20

11Q6-90080

CONNECTOR-HEATER

#0031

1шт.

21

14L1-01350

VALVE-HEATER

#0030

2шт.

21

14L1-01350

VALVE-HEATER

#0031

1шт.

22

S572-220006

CLAMP-HOSE,WIRE TYPE

2шт.

23

11Q6-90240

FILTER-REC

1шт.

24

S091-060206

BOLT-WING

3шт.

25

11Q6-90510

FILTER-AIR CON

1шт.

26

S151-040126

SCREW-TAPPING

4шт.

27

31L7-10230

CLAMP

1шт.

28

S037-101526

BOLT-W/WASHER

1шт.

Выбрано товаров: 12