Запчасти Hyundai R55W7A PAGE 6420 BOOM SWING SYSTEM СТРУКТУРА

Схема запчастей Hyundai R55W7A - PAGE 6420 BOOM SWING SYSTEM СТРУКТУРА
FIT
1:1
100%

Артикул

Название

Примечание

Количество

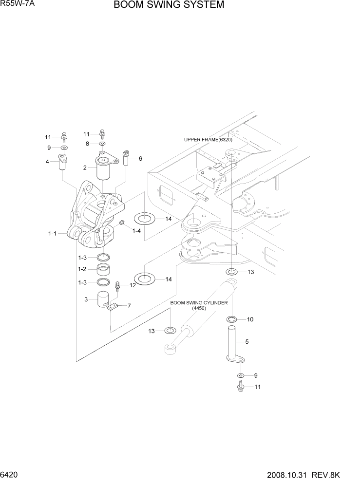
1

41M8-70001

SWING POST ASSY

#0028

1шт.

1

41M8-70002

SWING POST ASSY

#0029

1шт.

1-1

41M8-70011

POST-SWING

#0028

1шт.

1-1

41M8-70012

POST-SWING

#0029

1шт.

1-2

41M8-70080

BUSHING-CENTER

1шт.

1-3

S700-110208

SEAL-DUST

2шт.

1-4

S651-810002

NIPPLE-GREASE

1шт.

2

41M8-70021

PIN ASSY

1шт.

3

41M8-70032

PIN

1шт.

4

61M8-01731

PIN ASSY

1шт.

5

61M8-01761

PIN ASSY

1шт.

6

41M8-70060

PIN ASSY-S/POST LOCK

1шт.

7

41M5-70111

PLATE-LOCK

1шт.

8

61N8-00300

WASHER-HARDENED

2шт.

9

61N8-00330

WASHER-HARDENED

2шт.

10

61N8-00100

SPACER-PIN

1шт.

11

S017-120256

BOLT-HEX

4шт.

12

S037-123526

BOLT-W/WASHER

2шт.

13

S391-050085

SHIM-ROUND(1.0T)

3шт.

14

S391-110175

SHIM-ROUND(1.0T)

2шт.

Выбрано товаров: 20