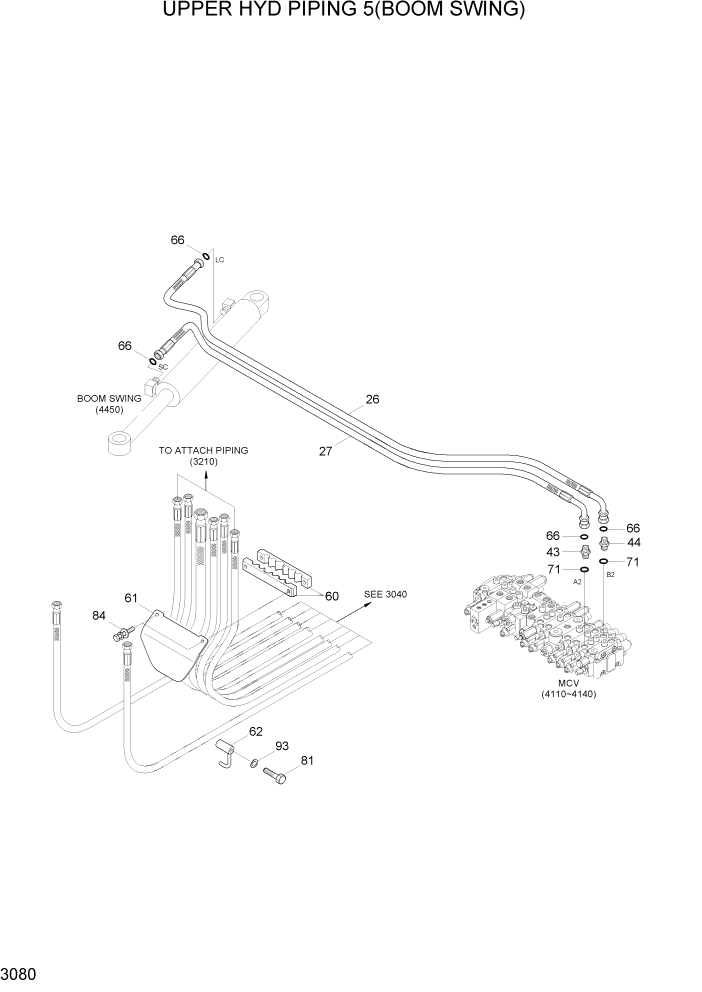
Запчасти Hyundai R55W7A PAGE 3080 UPPER HYD PIPING 5(BOOM SWING) ГИДРАВЛИЧЕСКАЯ СИСТЕМА

Схема запчастей Hyundai R55W7A - PAGE 3080 UPPER HYD PIPING 5(BOOM SWING) ГИДРАВЛИЧЕСКАЯ СИСТЕМА
FIT
1:1
100%

Артикул

Название

Примечание

Количество

26

P930-065042

HOSE ASSY-ORFS 0X90

1шт.

27

P930-065038

HOSE ASSY-ORFS 0X90

1шт.

43

X500-110015

CONNECTOR-ORFS

1шт.

44

X511-108524

CONNECTOR-LONG,ORFS

1шт.

60

31M8-11061

CLAMP-RUBBER

1шт.

61

31M8-11072

COVER-SWING POST

1шт.

62

31M8-11082

GUIDE-HOSE

2шт.

66

S621-012001

O-RING

4шт.

71

S631-018004

O-RING

2шт.

81

S017-120756

BOLT-HEX

2шт.

84

S037-102526

BOLT-W/WASHER

2шт.

93

S411-120006

WASHER-SPRING

2шт.

Выбрано товаров: 12