Запчасти Hyundai R55W7A PAGE 5010 POWER TRAIN MOUNTING ТРАНСМИССИЯ

Схема запчастей Hyundai R55W7A - PAGE 5010 POWER TRAIN MOUNTING ТРАНСМИССИЯ
FIT
1:1
100%

Артикул

Название

Примечание

Количество

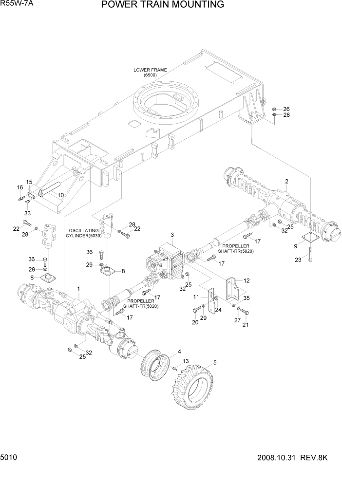
1

81M5-00010

AXLE-FRONT

SEE 5040-5080

1шт.

2

81M5-00020

AXLE-REAR

SEE 5090-5120

1шт.

3

81M5-00030

GEAR BOX

SEE 5130

2шт.

*-1

81M5-00160

WHEEL & TIRE ASSY

4шт.

4

81M5-00042

WHEEL RIM(9.75X16.5)

1шт.

5

81M8-20010

TIRE(12X16.5-12PR)

SOLIDEAL #0027

1шт.

5

81M5-00070

TIRE(12-16.5-12PR)

KUMHO #0028

1шт.

13

81S1-4004

VALVE-RIM

1шт.

8

81M5-00081

SUPPORT

2шт.

9

81M5-00091

PLATE

2шт.

10

81M5-00111

PIN WA

1шт.

11

81M5-00102

BRACKET-LH

1шт.

12

81M5-00202

BRACKET-RH

1шт.

15

81M6-00150

PLATE

1шт.

16

S037-102526

BOLT-W/WASHER

2шт.

17

S018-100306

BOLT-HEX

32шт.

20

S017-120406

BOLT-HEX

4шт.

21

S017-140306

BOLT-HEX

8шт.

22

S017-16060D

BOLT-HEX

8шт.

23

S017-16200D

BOLT-HEX

8шт.

24

S205-12100B

NUT-HEX

4шт.

25

S206-10100B

NUT-HEX

32шт.

26

S205-16100B

NUT-HEX

16шт.

27

S411-140006

WASHER-SPRING

8шт.

28

S441-160006

WASHER-HARDENED

16шт.

29

S411-120006

WASHER-SPRING

10шт.

32

S411-100006

WASHER-SPRING

32шт.

33

S651-810002

NIPPLE-GREASE

1шт.

35

S441-120006

WASHER-HARDENED

4шт.

36

S017-120306

BOLT-HEX

6шт.

Выбрано товаров: 30