Запчасти Hyundai R55W7A PAGE 5070 FRONT AXLE BRAKE DISC ТРАНСМИССИЯ

Схема запчастей Hyundai R55W7A - PAGE 5070 FRONT AXLE BRAKE DISC ТРАНСМИССИЯ
FIT
1:1
100%

Артикул

Название

Примечание

Количество

*

@

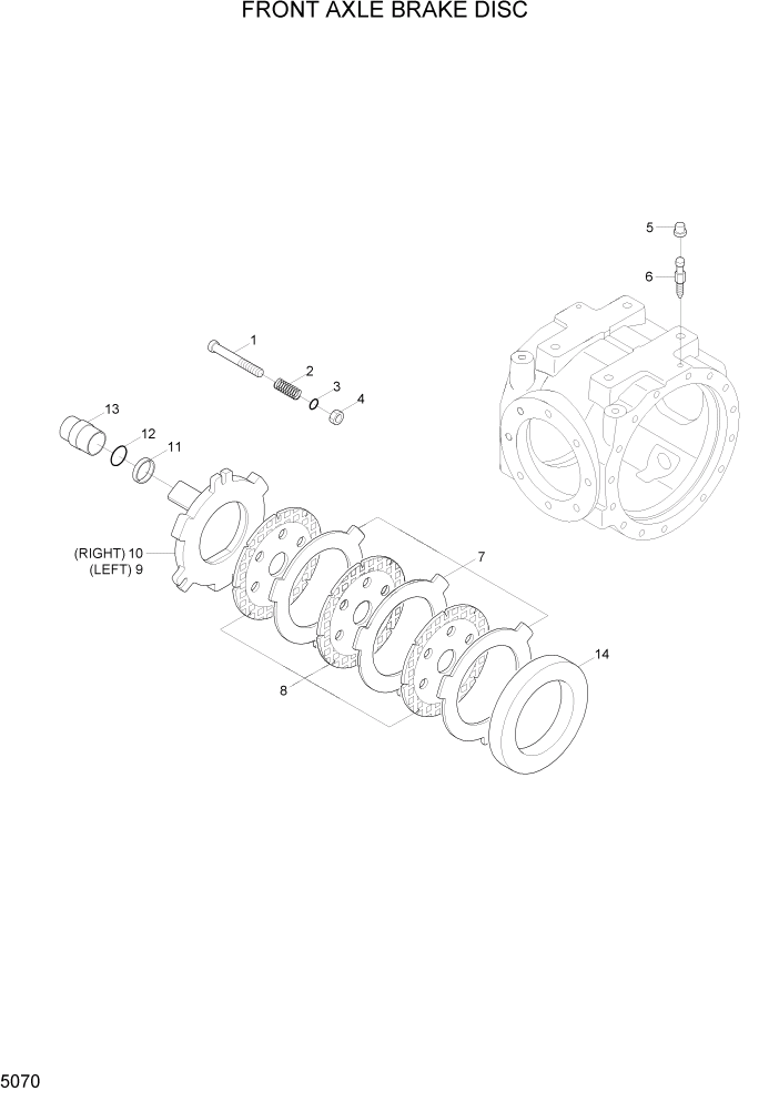
FRONT AXLE

NOT

1шт.

1

ZTAM-00740

BOLT-ADJUSTING

6шт.

2

ZTAM-00741

SPRING

6шт.

3

ZTAM-00742

O-RING

6шт.

4

ZTAM-00743

NUT

6шт.

5

ZTAM-00744

PLUG

2шт.

6

ZTAM-00745

BOLT-BLEEDING

2шт.

7

ZTAM-00746

DISC-INTERMEDIATE BRK

6шт.

8

ZTAM-00747

DISC-BRAKE

6шт.

9

ZTAM-00748

DISC

1шт.

10

ZTAM-00749

DISC

1шт.

11

ZTAM-00750

RING-BACK UP

6шт.

12

ZTAM-00751

O-RING

6шт.

13

ZTAM-00752

PISTON

6шт.

14

ZTAM-00753

SPACER

2шт.

Выбрано товаров: 0