Запчасти Hyundai R140W7 PAGE 1140 HEATER MOUNTING СИСТЕМА ДВИГАТЕЛЯ

Схема запчастей Hyundai R140W7 - PAGE 1140 HEATER MOUNTING СИСТЕМА ДВИГАТЕЛЯ
FIT
1:1
100%

Артикул

Название

Примечание

Количество

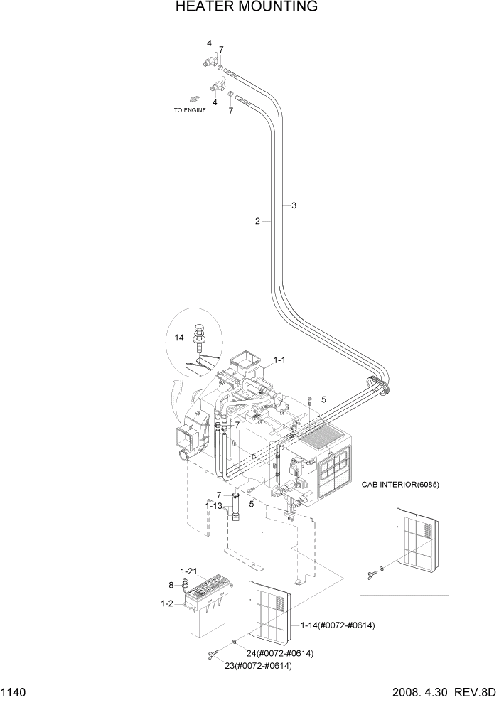
1

11N6-90310

HEATER ASSY

1шт.

1-1

11N6-90320

HEATER UNIT

#0007

1шт.

1-1

11N6-90321

HEATER UNIT

#0008

1шт.

1-2

11N6-90331

CONTROL ASSY

1шт.

1-21

11N6-90860

DECAL-HEATER

1шт.

1-13

11EK-92090

HOSE-DRAIN

1шт.

1-14

11N6-90340

FILTER-REC

SEE 6085 #0072 - #0614

1шт.

2

11E6-92070

HOSE-DRAIN

1шт.

3

11E6-92080

HOSE

1шт.

4

14L1-01350

VALVE-HEATER

2шт.

5

S152-040122

SCREW-TAPPING

4шт.

7

S520-020000

CLAMP-HOSE

5шт.

8

S131-051546

SCREW-W/WASHER

4шт.

14

S037-123522

BOLT-W/WASHER

4шт.

23

S091-060156

BOLT-WING

#0072 - #0614

3шт.

24

S403-062006

WASHER-PLAIN

#0072 - #0614

3шт.

Выбрано товаров: 16