Запчасти Hyundai R140W7A PAGE 5010 POWER TRAIN MOUNTING ТРАНСМИССИЯ

Схема запчастей Hyundai R140W7A - PAGE 5010 POWER TRAIN MOUNTING ТРАНСМИССИЯ
FIT
1:1
100%

Артикул

Название

Примечание

Количество

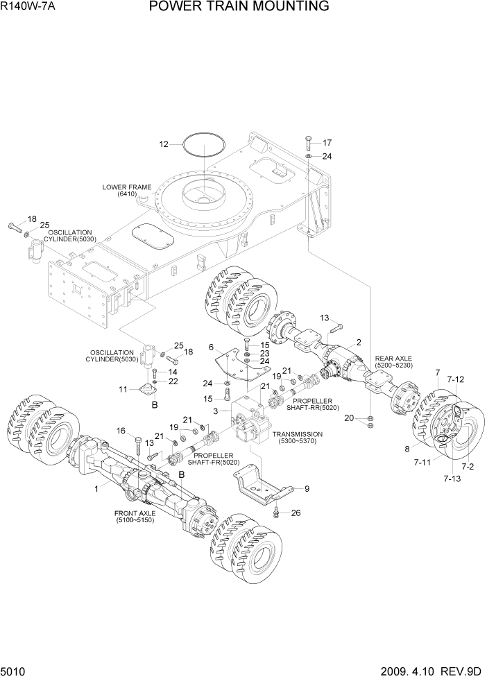
1

81N4-40013

AXLE-FRONT

SEE 5100-5150

1шт.

2

81N4-40021

AXLE-REAR

SEE 5200-5230

1шт.

3

81N4-40030

TRANSMISSION

SEE 5300-5370

1шт.

6

81EA-32060BG

BRACKET-TRANSMISSION

1шт.

7

81EA-32070BG

TIRE & WHEEL ASSY

DUAL TYPE #0273

8шт.

7

81EA-32071BG

TIRE & WHEEL ASSY

DUAL TYPE #0274

8шт.

7

81EA-22010BG

TIRE & WHEEL ASSY

SOLID TYPE #0273

8шт.

7

81EA-22011BG

TIRE & WHEEL ASSY

SOLID TYPE #0274

8шт.

7-1

81E3-20200

TIRE ASSY(KUMHO)

DUAL, KUMHO

1шт.

7-1

81E3-20200H

TIRE ASSY(HANKOOK)

DUAL, HANKOOK

1шт.

7-1

81EA-21020

TIRE

SOLID TYPE

1шт.

7-11

81E3-2001

TIRE(KUMHO)

DUAL, KUMHO

1шт.

7-11

81E3-2001H

TIRE(HANKOOK)

DUAL, HANKOOK

1шт.

7-12

81E3-2002

TUBE(KUMHO)

DUAL TYPE

1шт.

7-13

81E3-2003

FLAP(KUMHO)

DUAL TYPE

1шт.

7-2

81EA-32090BG

WHEEL WA

#0273

1шт.

7-2

81EA-32091BG

WHEEL WA

#0274

1шт.

8

81E3-2005

RING-STONE RESISTER

#0109

4шт.

8

81E3-20051

RING-STONE REGISTER

#0110 - #0273

4шт.

8

81E3-20052

RING-STONE REGISTER

#0274

4шт.

9

81EA-30111BG

PLATE-T/M GUARD

1шт.

11

81N4-40101BG

SUPPORT-OSCIL CYL

2шт.

12

81E6-30010

SEAL-GREASE

1шт.

13

81E3-30071-DA

BOLT-HEX

16шт.

14

S017-120406

BOLT-HEX

8шт.

15

S017-20050D

BOLT-HEX

7шт.

16

S017-20135D

BOLT-HEX

4шт.

17

S017-20180D

BOLT-HEX

8шт.

18

S018-22075D

BOLT-HEX

8шт.

19

81E4-3007-DA

NUT-HEX

32шт.

20

S205-201006

NUT-HEX

16шт.

21

S411-100006

WASHER-SPRING

32шт.

22

S411-120006

WASHER-SPRING

8шт.

23

S411-200006

WASHER-SPRING

3шт.

24

S441-200006

WASHER-HARDENED

15шт.

25

S441-220006

WASHER-HARDENED

8шт.

26

S037-123056

BOLT-W/WASHER

8шт.

Выбрано товаров: 37