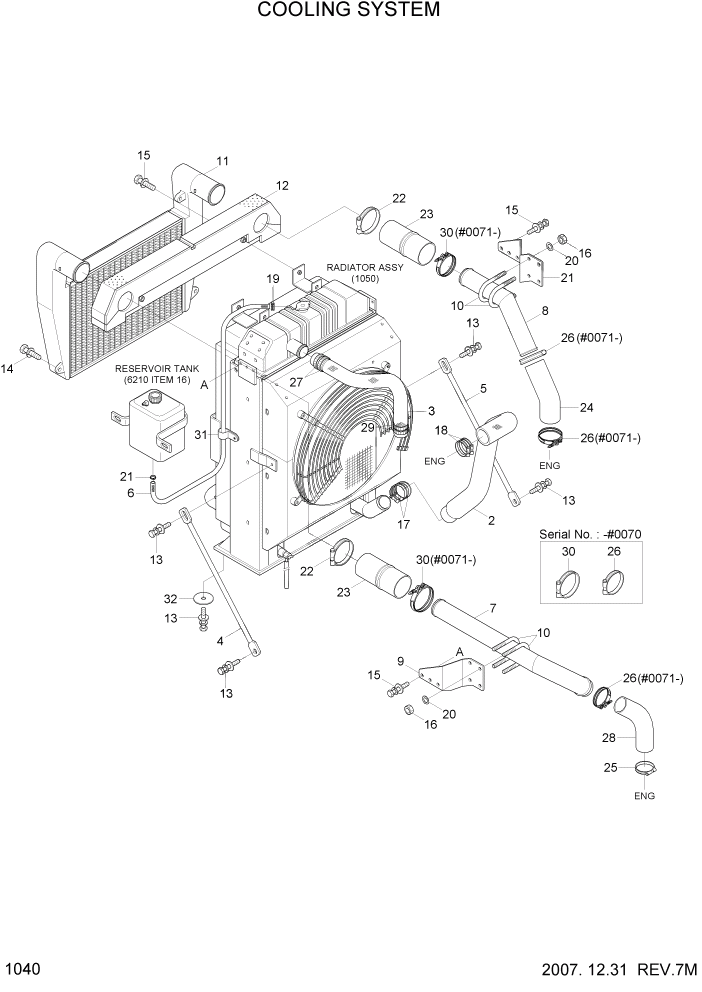
Запчасти Hyundai R140W7A PAGE 1040 COOLING SYSTEM СИСТЕМА ДВИГАТЕЛЯ

Схема запчастей Hyundai R140W7A - PAGE 1040 COOLING SYSTEM СИСТЕМА ДВИГАТЕЛЯ
FIT
1:1
100%

Артикул

Название

Примечание

Количество

2

11N5-43102

HOSE

1шт.

3

11N4-45110

HOSE-RAD(UPPER)

1шт.

4

11N4-40130

ROD ASSY

1шт.

5

11N4-40140

ROD ASSY

1шт.

6

11EG-40400

HOSE-INLET

1шт.

7

11N4-45120

PIPE-CHARGE AIR

1шт.

8

11N4-45130

PIPE-CHARGE AIR

1шт.

9

11N4-45171

BRACKET-CAC PIPE

1шт.

10

11N5-43190

U-BOLT

4шт.

11

11N4-43401

AIR COOLER-CHARGE

1шт.

12

11N4-45200

SCREEN ASSY

1шт.

13

S037-123026

BOLT-W/WASHER

8шт.

14

S037-104056

BOLT-W/WASHER

4шт.

15

S037-102026

BOLT-W/WASHER

10шт.

16

S275-100006

NUT-SELF LOCKING

8шт.

17

S572-720006

CLAMP-HOSE WIRE TYPE

2шт.

18

S572-620006

CLAMP-HOSE WIRE TYPE

2шт.

19

S520-015000

CLAMP-HOSE

2шт.

20

S441-100006

WASHER-HARDENED

8шт.

21

11N4-45181

BRACKET-CAC PIPE

2шт.

22

11N6-20340

CLAMP-T/BOLT

2шт.

23

11N5-40211

HOSE-CHARGE AIR

2шт.

24

11N4-45190

HOSE-CAC

1шт.

25

S520-055000

CLAMP-HOSE

1шт.

26

11N6-20331

CLAMP-T/BOLT

#0070

3шт.

26

11N6-20332

CLAMP-T/BOLT

#0071

3шт.

27

S572-620006

CLAMP-HOSE WIRE TYPE

2шт.

28

11N5-43140

HOSE-CAC

1шт.

29

S572-690002

CLAMP-HOSE WIRE TYPE

2шт.

30

11N6-20380

CLAMP-T/BOLT

#0070

2шт.

30

11N6-20381

CLAMP-T/BOLT

#0071

2шт.

31

S593-000902

CLIP-HARNESS

1шт.

32

S441-120006

WASHER-HARDENED

4шт.

Выбрано товаров: 33