Запчасти Hyundai R140W7A PAGE 9280 FUEL SYSTEM ДВИГАТЕЛЬ БАЗА

Схема запчастей Hyundai R140W7A - PAGE 9280 FUEL SYSTEM ДВИГАТЕЛЬ БАЗА
FIT
1:1
100%

Артикул

Название

Примечание

Количество

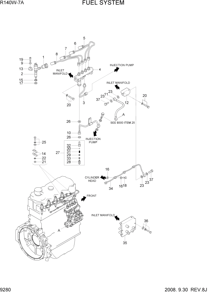
1

XJAF-02400

SEAL-INJECTION

#0001

4шт.

2

XJAF-02679

INJECTOR ASSY-HSF

#0001

4шт.

3

XJAF-02402

PIPE-PUMP

1шт.

4

XJAF-02681

RAIL-4 CYLINDER

#0001

1шт.

5

XJAF-02404

PIPE-INJECTION NO.1

1шт.

6

XJAF-02405

PIPE-INJECTION NO.2

1шт.

7

XJAF-02406

PIPE-INJECTION NO.3

1шт.

8

XJAF-02407

PIPE-INJECTION NO.4

1шт.

9

XJAF-02408

WASHER-SPHERICAL

4шт.

10

XJAF-02409

PIPE-RELIEF

1шт.

11

XJAF-02410

HOSE-FUEL

1шт.

12

XJAF-02571

BLOCK-FUEL RELIEF

1шт.

13

XJAF-02412

GRAND-NOZZLE

4шт.

14

XJAF-02413

CLAMP-PIPE

2шт.

15

XJAF-02414

O-RING

4шт.

16

XJAF-00206

WASHER-SEALING

8шт.

17

XJAF-00426

GASKET-NOZZLE

4шт.

18

XJAF-00685

BOLT-EYE

4шт.

19

XJAF-02415

BOLT-HEXAGON SOCKET

4шт.

20

XJAF-00730

BOLT-W/WASHER

5шт.

21

XJAF-00555

NUT-LOCK

2шт.

22

XJAF-01871

WASHER-PLAIN

2шт.

23

XJAF-02416

WASHER

4шт.

24

XJAF-02417

CLAMP-HOSE

2шт.

25

XJAF-02418

BOLT-W/WASHER

2шт.

26

XJAF-02419

WASHER-SEALING

2шт.

27

XJAF-02516

VALVE ASSY-CHECK

INCL 28-33 #0001

1шт.

28

@

CONNECTOR

NOT

1шт.

29

@

SHIM-ADJUSTING

NOT

1шт.

30

@

BALL-STEEL

NOT

1шт.

31

@

SPRING

NOT

1шт.

32

@

BOLT-EYE

NOT

1шт.

33

XJAF-00371

GASKET

1шт.

34

XJAF-02421

PIPE-FUEL INJ/D

1шт.

35

XJAF-02422

BRACKET-COVER

1шт.

36

XJAF-02572

BOLT-W/WASHER

#0001

4шт.

37

XJAF-02424

BOLT-EYE

#0001

2шт.

Выбрано товаров: 37