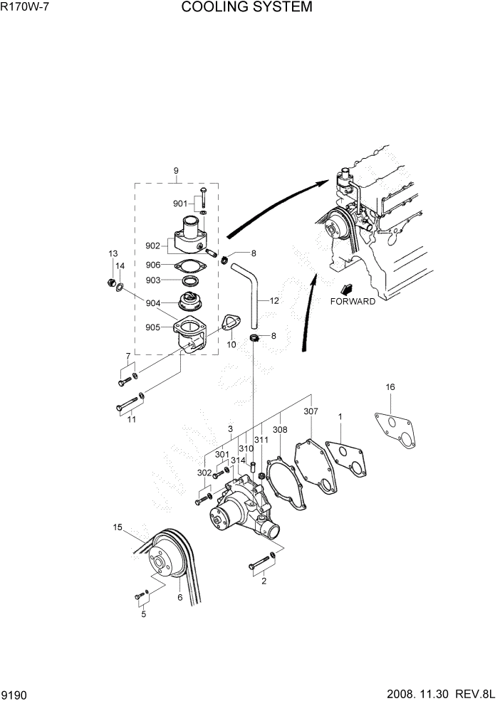
Запчасти Hyundai R170W7 PAGE 9190 COOLING SYSTEM ДВИГАТЕЛЬ БАЗА

Схема запчастей Hyundai R170W7 - PAGE 9190 COOLING SYSTEM ДВИГАТЕЛЬ БАЗА
FIT
1:1
100%

Артикул

Название

Примечание

Количество

1

XJAF-00850

GASKET

#0001

1шт.

2

XJAF-00159

BOLT-W/WASHER

2шт.

3

XJAF-02693

WATER PUMP ASSY

#0001

1шт.

301

XJAF-00379

BOLT-W/WASHER

2шт.

302

XJAF-00317

BOLT-W/WASHER

1шт.

307

XJAF-00852

COVER-WATER PUMP

1шт.

308

XJAF-02694

GASKET-WATER PUMP

#0001

1шт.

N310

@

PIPE-WATER PUMP

NOT

1шт.

N311

XJAF-00854

PLUG TAPERED

NOT

1шт.

N314

@

CASE-WATER PUMP

NOT

1шт.

5

XJAF-00230

BOLT-W/WASHER

4шт.

6

XJAF-00729

PULLEY-WATER PUMP

1шт.

7

XJAF-00730

BOLT-W/WASHER

1шт.

8

XJAF-00731

CLAMP-HOSE

2шт.

9

XJAF-00732

THERMOSTAT ASSY

1шт.

901

XJAF-00730

BOLT-W/WASHER

2шт.

902

XJAF-00733

COVER ASSY

1шт.

903

XJAF-00734

GASKET-WATER PUMP

1шт.

904

XJAF-00735

THERMOSTAT

#0001

1шт.

905

XJAF-00736

CASE-THERMOSTAT

1шт.

906

XJAF-00423

GASKET

1шт.

10

XJAF-00737

GASKET-WATER PUMP

1шт.

11

XJAF-00254

BOLT-W/WASHER

1шт.

12

XJAF-00738

HOSE-WATER

1шт.

13

XJAF-00418

PLUG-DRAIN

1шт.

14

XJAF-00560

GASKET-INLET MANIFOLD

1шт.

15

XJAF-00739

V-BELT

1шт.

16

XJAF-02695

GASKET-WATER PUMP

#0001

1шт.

N

@

NOT INDIVIDUALLY SUPPLIED

NOT

ARшт.

N

@

NOT INDIVIDUALLY SUPPLIED

NOT

ARшт.

Выбрано товаров: 30