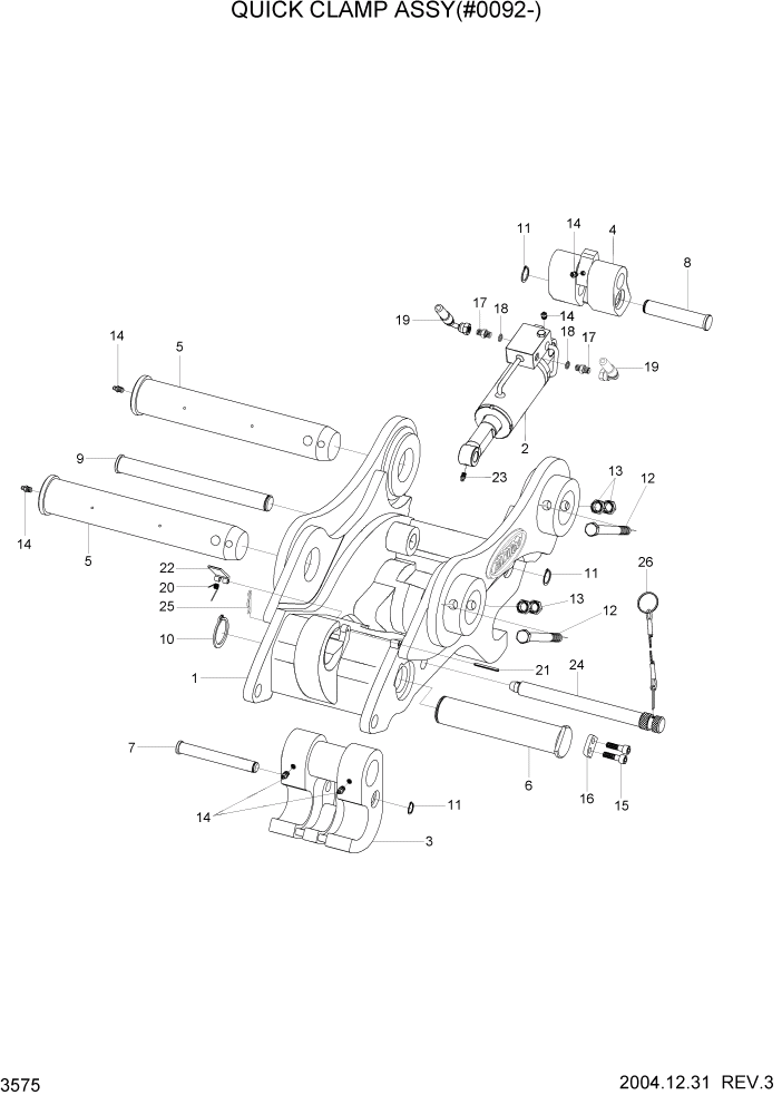
Запчасти Hyundai R170W7 PAGE 3575 QUICK CLAMP ASSY(#0092-) ГИДРАВЛИЧЕСКАЯ СИСТЕМА

Схема запчастей Hyundai R170W7 - PAGE 3575 QUICK CLAMP ASSY(#0092-) ГИДРАВЛИЧЕСКАЯ СИСТЕМА
FIT
1:1
100%

Артикул

Название

Примечание

Количество

*

31N5-90570

QUICK CLAMP ASSY

SEE 3570 #0092

1шт.

1

XKBP-00077

QUICK CLAMP-BODY

1шт.

2

@

CYLINDER-QUICK CLAMP

NOT

1шт.

3

XKBP-00079

HOOK ASSY

1шт.

4

XKBP-00080

LOCK ASSY

1шт.

5

XKBP-00081

PIN-BRACKET

2шт.

6

XKBP-00082

PIN-HOOK

1шт.

7

XKBP-00051

PIN-JOINT

1шт.

8

XKBP-00052

PIN-JOINT

1шт.

9

XKBP-00083

PIN-LOCK

1шт.

10

XKBP-00054

RING-SNAP

1шт.

11

XKBP-00010

RING-SNAP

3шт.

12

XKBP-00055

BOLT-HEX

2шт.

13

XKBP-00014

NUT-HEX

4шт.

14

XKBP-00015

NIPPLE-GREASE

7шт.

15

XKBP-00016

BOLT-SOCKET

3шт.

16

XKBP-00056

PLATE-COVER

1шт.

17

XKBP-00057

ADAPTER

2шт.

18

XKBP-00019

O-RING

2шт.

19

XKBP-00058

HOSE

2шт.

20

XKBP-00021

SPRING

1шт.

21

XKBP-00022

PIN-SPRING

1шт.

22

XKBP-00023

STOPPER

1шт.

23

XKBP-00024

NIPPLE-GREASE

1шт.

24

XKBP-00087

PIN-STOPPER

1шт.

25

XKBP-00026

PIN-SNAP

1шт.

26

XKBP-00060

WIRE ASSY

1шт.

Выбрано товаров: 0