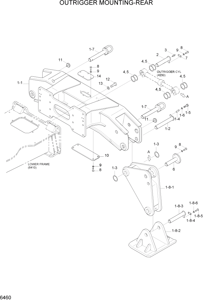
Запчасти Hyundai R170W7A PAGE 6460 OUTRIGGER MOUNTING-REAR СТРУКТУРА

Схема запчастей Hyundai R170W7A - PAGE 6460 OUTRIGGER MOUNTING-REAR СТРУКТУРА
FIT
1:1
100%

Артикул

Название

Примечание

Количество

1

53N5-54000

OUTRIGGER ASSY-REAR

1шт.

1-1

53N5-54010

FRAME WA-RR OUTRIG

1шт.

1-2

53N5-52500

PIN-LEG

2шт.

1-3

S391-070120

SHIM-ROUND(1.0T)

4шт.

1-4

53N5-52560

PLATE-LOCK

2шт.

1-5

S017-120256

BOLT-HEX

4шт.

1-6

S411-120006

WASHER-SPRING

4шт.

1-7

53N5-52540

PIN-SAFETY

2шт.

1-8

53N5-53200

LEG & FOOT ASSY

2шт.

1-8-1

53N5-52200

LEG ASSY

1шт.

1-8-2

53N5-52300

FOOT WA

1шт.

1-8-3

53N5-52510

PIN-FOOT

1шт.

1-8-4

51EK-52560BG

PLATE-LOCK

1шт.

1-8-5

S017-120256

BOLT-HEX

2шт.

1-8-6

S411-120006

WASHER-SPRING

2шт.

2

53N5-52520

PIN-CYL HEAD

2шт.

3

S651-810002

NIPPLE-GREASE

2шт.

4

S390-075130

SHIM-ROUND(0.5T)

8шт.

5

S391-075130

SHIM-ROUND(1.0T)

8шт.

6

53N5-52530

PIN-CYL ROD

2шт.

7

51EK-52560BG

PLATE-LOCK

2шт.

8

S017-120256

BOLT-HEX

16шт.

9

S411-120006

WASHER-SPRING

16шт.

10

53N5-52570

PLATE-COVER

1шт.

11

51EK-52990

REFLECTOR-REAR

2шт.

12

S018-30065D

BOLT-HEX

16шт.

13

S441-300006

WASHER-HARDENED

16шт.

14

53N5-27120

COVER

1шт.

Выбрано товаров: 28