Запчасти Hyundai R200W7 PAGE 1010 ENGINE MOUNTING СИСТЕМА ДВИГАТЕЛЯ

Схема запчастей Hyundai R200W7 - PAGE 1010 ENGINE MOUNTING СИСТЕМА ДВИГАТЕЛЯ
FIT
1:1
100%

Артикул

Название

Примечание

Количество

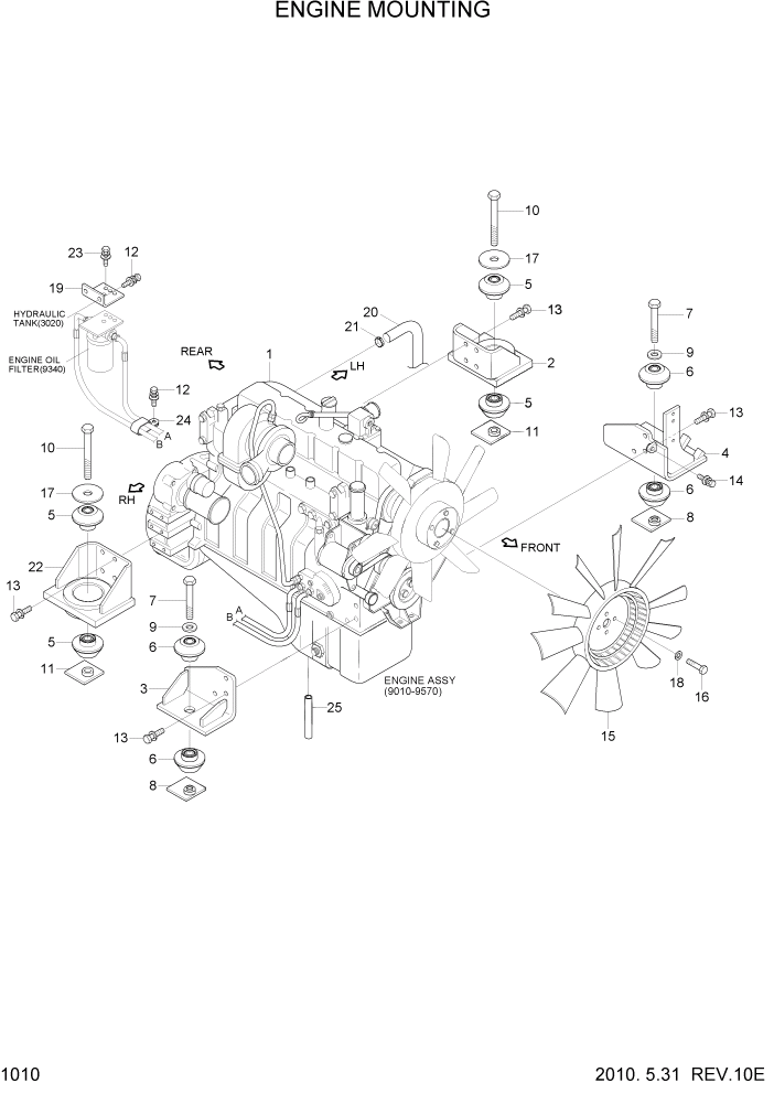
1

11N6-04010

ENGINE ASSY

1шт.

2

11N6-00041

BRACKET-RR

#0171

1шт.

2

11N6-64130

BRACKET-RR

#0172

1шт.

3

11N6-00021

BRACKET-FRONT

1шт.

4

11N6-00200

BRACKET-ENG & COMP

#2012

1шт.

4

11N6-00060

BRACKET

#2013

1шт.

5

11N6-13055

RUBBER-MOUNT

4шт.

6

11N6-10450

RUBBER-MOUNT

4шт.

7

S017-201352

BOLT-HEX

2шт.

8

11N6-00150

NUT-STOPPER

2шт.

9

S441-200002

WASHER-HARDENED

2шт.

10

S017-241752

BOLT-HEX

2шт.

11

11N6-00160

STOPPER-NUT

2шт.

12

S037-102522

BOLT-W/WASHER

4шт.

13

S037-123552

BOLT-W/WASHER

14шт.

14

S035-124026

BOLT-W/WASHER

1шт.

15

11N6-00230

FAN

STD #0330

1шт.

15

11N6-00231

FAN

STD #0331

1шт.

15

11N6-00180

FAN-RING

L/NOISE #0276

1шт.

15

11N6-00181

FAN-RING

L/NOISE #0277

1шт.

16

S017-101102

BOLT-HEX

4шт.

17

11N8-00060

WASHER

2шт.

18

S403-102002

WASHER-PLAIN

4шт.

19

11N7-00020

BRACKET-OIL FILTER

1шт.

20

11E9-02090

HOSE-BREATHER

1шт.

21

S520-027000

CLAMP-HOSE,SCREW TYPE

1шт.

22

11N6-04020

BRACKET-RR

1шт.

23

S035-082522

BOLT-W/WASHER

4шт.

24

31E7-0310

CLAMP-HOSE

2шт.

25

11N7-00040

HOSE-ENG OIL DRAIN

#0127

1шт.

Выбрано товаров: 30