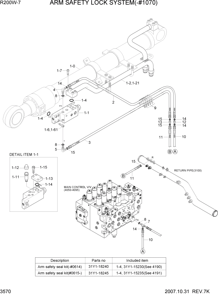
Запчасти Hyundai R200W7 PAGE 3570 ARM SAFETY LOCK SYSTEM(-#1070) ГИДРАВЛИЧЕСКАЯ СИСТЕМА

Схема запчастей Hyundai R200W7 - PAGE 3570 ARM SAFETY LOCK SYSTEM(-#1070) ГИДРАВЛИЧЕСКАЯ СИСТЕМА
FIT
1:1
100%

Артикул

Название

Примечание

Количество

1

31N6-52130

ARM CYL-SAFETY VALVE

BOOM 5.65M #0614

1шт.

1

31N6-52135

ARM CYL-SAFETY VALVE

BOOM 5.65M #0615

1шт.

1

31N6-52137

ARM CYL-SAFETY VALVE

BOOM 5.65M #0883

1шт.

1

31N6-54210

ARM CYL-SAFETY VALVE

ADJUST BOOM #0614

1шт.

1

31N6-54215

ARM CYL-SAFETY VALVE

ADJUST BOOM #0615

1шт.

1

@

ARM CYL SUB ASSY

NOT

1шт.

1

@

ARM CYL SUB ASSY

NOT

1шт.

1-1

31N6-90520

VALVE-SAFETY LOCK

1шт.

1-11

ZTAS-00001

VALVE-RELIEF

1шт.

1-12

ZTAS-00002

CAP

1шт.

1-13

P184-162112

FLANGE-PLUGING

1шт.

1-14

Y171-024004

O-RING

1шт.

1-15

S109-120406

BOLT-SOCKET

1шт.

1-16

ZTAS-00005

SEAL KIT

1шт.

1-2

31N6-90630

PIPE ASSY-R

BOOM 5.65M #0614

1шт.

1-2

31N6-90635

PIPE ASSY-RV

BOOM 5.65M #0615

1шт.

1-21

31Y1-20660

PIPE ASSY-RV

ADJUST BOOM #0614

1шт.

1-21

31Y1-20665

PIPE ASSY-RV

ADJUST BOOM #0615

1шт.

K1-4

Y171-024004

O-RING

2шт.

1-6

S107-120504

BOLT-SOCKET

BOOM 5.65M #0614

4шт.

1-6

S107-120556

BOLT-SOCKET

BOOM 5.65M #0615

4шт.

1-61

S107-120554

BOLT-SOCKET

ADJUST BOOM

8шт.

1-7

S107-120554

BOLT-SOCKET

BOOM 5.65M

4шт.

2

P400-042140

HOSE ASSY-COMPACT

BOOM 5.65M #0126

1шт.

2

P910-042098

HOSE ASSY-ORFS 0X0

BOOM 5.65M #0127

1шт.

2

P910-042092

HOSE ASSY-ORFS 0X0

ADJUST BOOM #0136

1шт.

3

P400-062144

HOSE ASSY-COMPACT

BOOM 5.65M #0126

1шт.

3

P910-062098

HOSE ASSY-ORFS 0X0

BOOM 5.65M #0127

1шт.

3

P910-062092

HOSE ASSY-ORFS 0X0

ADJUST BOOM #0136

1шт.

4

P020-110001

ELBOW-90

#0126

1шт.

4

X520-110001

ELBOW-90,ORFS

#0127

1шт.

5

P020-110011

ELBOW-90

#0126

1шт.

5

X520-110011

ELBOW-90,ORFS

#0127

1шт.

7

P310-040404

TEE-BRANCH TYPE

1шт.

8

S631-011004

O-RING

3шт.

9

S552-020102

CLAMP-BAND

10шт.

10

P910-042042

HOSE ASSY-ORFS 0X0

#0127

1шт.

11

P910-062048

HOSE ASSY-ORFS 0X0

#0127

1шт.

12

X540-110001

CONNECTOR-ORFS

#0127

1шт.

13

X540-110002

CONNECTOR-ORFS

#0127

1шт.

14

S621-011001

O-RING

#0127

1шт.

15

S621-012001

O-RING

#0127

1шт.

K

31Y1-18240

SEAL KIT

SEE ILLUST #0614

1шт.

K

31Y1-18245

SEAL KIT

#0615

1шт.

Выбрано товаров: 0