Запчасти Hyundai R200W7 PAGE 4080 MAIN CONTROL VALVE(2/5, #1428-) ГИДРАВЛИЧЕСКИЕ КОМПОНЕНТЫ

Схема запчастей Hyundai R200W7 - PAGE 4080 MAIN CONTROL VALVE(2/5, #1428-) ГИДРАВЛИЧЕСКИЕ КОМПОНЕНТЫ
FIT
1:1
100%

Артикул

Название

Примечание

Количество

*

@

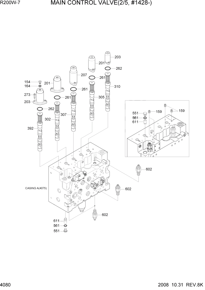
MAIN CONTROL VALVE

NOT #1428

1шт.

154

XJBN-00237

PLUG

1шт.

159

XJBN-00234

PLUG

4шт.

164

XJBN-00233

O-RING

1шт.

201

XJBN-00229

COVER

2шт.

203

XJBN-00258

COVER

2шт.

207

XJBN-00527

COVER

1шт.

261

XJBN-00213

O-RING

3шт.

262

XJBN-00212

O-RING

2шт.

273

XJBN-00210

SCREW-SOCKET

10шт.

302

XJBN-01052

SPOOL-ARM 1

1шт.

305

XJBN-01055

SPOOL-SWING

1шт.

307

XJBN-01057

SPOOL-BOOM 2

1шт.

310

XJBN-01016

SPOOL-TRAVEL

1шт.

392

XJBN-00178

SPOOL-BY PASS CUT

1шт.

551

XJBN-00167

PLUG

2шт.

561

XJBN-00046

O-RING

2шт.

602

XJBN-00162

PORT RELIEF VALVE

4шт.

611

XJBN-00894

NEGA-CON RELIEF VLV

2шт.

154

XJBN-00237

PLUG

1шт.

155

XJBN-00236

PLUG

1шт.

159

XJBN-00234

PLUG

3шт.

164

XJBN-00233

O-RING

1шт.

167

XJBN-00097

O-RING

1шт.

201

XJBN-00229

COVER

3шт.

203

XJBN-00258

COVER

2шт.

273

XJBN-00210

SCREW-SOCKET

10шт.

301

XJBN-01117

SPOOL-TRAVEL,RH

DOZER #0001

1шт.

303

XJBN-00844

SPOOL-BOOM 1

#0471

1шт.

303

XJBN-00889

SPOOL-BOOM 1

#0472

1шт.

304

XJBN-00856

SPOOL-BUCKET

1шт.

306

XJBN-00845

SPOOL-ARM 2

1шт.

309

XJBN-00217

SPOOL-OPTION

1шт.

553

XJBN-00165

PLUG

3шт.

561

XJBN-00046

O-RING

1шт.

602

XJBN-00162

PORT RELIEF VALVE

4шт.

Выбрано товаров: 0