Запчасти Hyundai R200W7 PAGE 3110 UPPER HYD PIPING(ATTACH) ГИДРАВЛИЧЕСКАЯ СИСТЕМА

Схема запчастей Hyundai R200W7 - PAGE 3110 UPPER HYD PIPING(ATTACH) ГИДРАВЛИЧЕСКАЯ СИСТЕМА
FIT
1:1
100%

Артикул

Название

Примечание

Количество

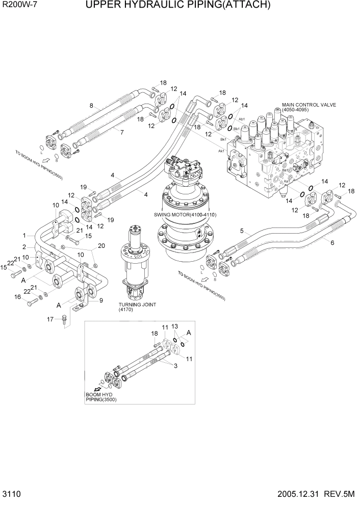
1

31N6-13310

PIPE ASSY

1шт.

2

31N6-13320

PIPE ASSY

1шт.

3

P683-127316

HOSE ASSY-FLG 0X0

4шт.

4

31N6-13270

HOSE ASSY-0X90

2шт.

5

31N6-14320

HOSE ASSY

MONO BOOM #0578

1шт.

5

31N6-14321

HOSE ASSY

#0579

1шт.

5

31N6-13051

HOSE ASSY-0X90

ADJUST BOOM #0136

1шт.

6

31N6-14330

HOSE ASSY

MONO BOOM

1шт.

6

31N6-13061

HOSE ASSY-0X90

ADJUST BOOM #0136

1шт.

7

31N6-14340

HOSE ASSY

MONO BOOM

1шт.

7

31N6-14360

HOSE ASSY

ADJUST BOOM #0136

1шт.

8

31N6-14350

HOSE ASSY

MONO BOOM

1шт.

8

31N6-14370

HOSE ASSY

ADJUST BOOM #0136

1шт.

9

31N6-13070

BRACKET

1шт.

10

31EM-12170

CLAMP-PIPE

3шт.

11

P173-120102

FLANGE-HYD,SPLIT

8шт.

12

P173-160104

FLANGE-HYD,SPLIT

16шт.

13

Y171-019004

O-RING

4шт.

14

Y171-024004

O-RING(AN ??)

8шт.

15

S017-100706

BOLT-HEX

2шт.

16

S017-100856

BOLT-HEX

1шт.

17

S037-123056

BOLT-W/WASHER

2шт.

18

S109-100306

BOLT-SOCKET

32шт.

19

S109-100406

BOLT-SOCKET

16шт.

20

S205-10100B

NUT-HEX

2шт.

21

S403-10100B

WASHER-PLAIN

3шт.

22

S411-100006

WASHER-SPRING

2шт.

Выбрано товаров: 27